Vraag
Alle reacties
[ Voor 41% gewijzigd door Fanta op 05-01-2024 14:34 ]
Daily driver | ’19 Ford Focus ST | Orange Fury
M.I.A.T.A. Is Always The Answer
Ik hou dan ook iets ruimte over. Dus de ring lijkt dan iets te groot.
En eigenlijk moet je even nieuwe bestellen. Heb je siliconen spray? Vet alle o-ringen daar even mee in eerst voor je het weer monteert voor betere afdichting.
[ Voor 21% gewijzigd door pennywiser op 05-01-2024 14:45 ]
siloconenspray ga ik toepassen
:no_upscale():strip_icc():fill(white):strip_exif()/f/image/3HH8Nm5BhgBEbGGTxWSsjT8M.jpg?f=user_large)
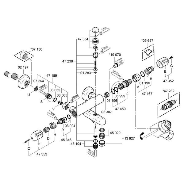
Dit is de correcte exploded view, model Grohe Grohetherm 1000 (1994-2004) 34335000. Die andere is van nieuwe model denk ik. Dit is een badkraan, maar binnenwerk is vaak zelfde.
Lijkt toch op die middenste ring aan te moeten sluiten, zie pijl waar die op terugslaat.
[ Voor 16% gewijzigd door pennywiser op 05-01-2024 15:09 ]
Juist daar idd, 2 kromme pijlen, de buitenste is het volgens mij.Jambonham schreef op vrijdag 5 januari 2024 @ 15:26:
Sorry, Ik zie precies wat je bedoeld. Welke pijl bedoel je? Die bij het sleuteltje?
Op een filmpje zag ik dit, zie foto. De pijl wijst naar een ring en een metalen filter.
Beide vond ik dus in het binnenhuis. De ring is denk ik zodanig opgerekt dat deze heeft losgelaten. En verklaart waarom de filter en ring los zat. Op mijn eerste foto ontbreekt dit.
Moet dus en even naar de bouwmarkt.
:strip_exif()/f/image/OzVgICeTtMliBGjisWMxWQjG.jpg?f=fotoalbum_large)
:strip_exif()/f/image/xBBvShCxtVRINAxjxh60oJ9S.jpg?f=fotoalbum_large)