Beste tweakeraars,
Ik ben bezig met een projectje de oude klaviersloten van mijn binnendeuren te vervangen.
Het is een oud huis (1915) en het betreffen denk ik nog de originele klaviersloten.
Elke binnendeur bij mij heeft ze maar ik heb geen sleutel (wat mij betreft hoeft ook niet elke deur op slot te kunnen) het kan misschien handig zijn maar zeker niet noodzakelijk (ik ben dus bereid om gewoon over te stappen op normale loopsloten).
Van een aantal deuren gaat de klink niet meer goed omhoog waardoor de deur dus niet goed sluit en de deur vrij vaak open valt.
Ik heb wat foto's van de eerste deur; je ziet daar volgens mij dat het terugveer element gebroken is (dat soort droprolletje, het gele is het ontbrekende deel) wat zou verklaren waarom de deur niet goed sluit.
Spijtig genoeg kan je dit soort onderdelen kennelijk nauwelijks meer krijgen.
ik vond er enkele van andere sloten maar geen die lijkt op wat er in dit slot zit.
Dus kom ik tot de conclusie dat ik het hele slot moet vervangen.
De maat van het slot is als volgens:
Doornmaat: 50mm
Voorplaat lengte: 210mm
Voorplaat breedte: 22mm
Totale slotkast diepte: 68,8mm (zeg even 69mm)
Slotkast lengte: 150mm
Steekmaat: 65mm
Kennelijk is dit een bijzonder lang en ondiep slot aangezien de meeste sloten minder lang en dieper zijn. ik heb even rondgekeken maar kon geen goede vervanger vinden. Het slot dat het dichtst in de buurt kwam was:
Hutra binnendeurslot (klavier) DH29 2918 alleen lijkt de slotkast dieper te liggen.
Dat betekent dat ik de deur verder moet uitbeitelen.
Zelf denk ik dat het gat in de deur vullen en een kleiner slot nemen makkelijker is dan het gat nog groter maken (ook ben ik een beetje bang dat de deur beschadigd/uitscheurt als ik daar nog verder in ga hakken met een beitel en de plek is slecht bereikbaar).
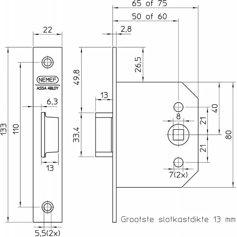
ik had zelf een NEMEF LOOPSLOT 55/T - DM 50 - 133X22MM - D1/2/3/4 in gedachte omdat de slotkast diepte 65mm is en dat dus geen hakwerk betekent.
het zou wel aardig wat vulwerk zijn omdat de lengte van de voorplaat 133mm en de lengte van de slotplaat 80mm is maar dat is een kwestie van vullen met kneedbaar hout (verwacht ik). Ik verlies dan wel het klavierslot maargoed die kon ik toch al niet gebruiken.
Hoe kijken jullie daarna? of zouden jullie dit heel anders aanpakken?
Het liefst wil ik een standaard slot van een merk als Nemef, Mauer of Axa rond de 20-30 euro betalen.
Van mauer en neemef lijkt de veer die hier is stukgegaan wel in omloop te zijn.
Ik hoor graag jullie mening/adies.
:no_upscale():fill(white):strip_exif()/f/image/PdeTSqZTVlquxUVxHm1JPKDo.webp?f=user_large)
:no_upscale():fill(white):strip_exif()/f/image/nNnuFV4FRJJIzLpcDSwLrseL.webp?f=user_large)
:strip_exif()/f/image/vW203PkhTx5Kpc0BApPMs97B.jpg?f=fotoalbum_large)
:strip_exif()/f/image/L11zlKedHuwcLhml1jAdUx4c.jpg?f=fotoalbum_large)
:strip_exif()/f/image/DNnFXcS5rHxUicvk66urNfZ9.jpg?f=fotoalbum_large)
Ik ben bezig met een projectje de oude klaviersloten van mijn binnendeuren te vervangen.
Het is een oud huis (1915) en het betreffen denk ik nog de originele klaviersloten.
Elke binnendeur bij mij heeft ze maar ik heb geen sleutel (wat mij betreft hoeft ook niet elke deur op slot te kunnen) het kan misschien handig zijn maar zeker niet noodzakelijk (ik ben dus bereid om gewoon over te stappen op normale loopsloten).
Van een aantal deuren gaat de klink niet meer goed omhoog waardoor de deur dus niet goed sluit en de deur vrij vaak open valt.
Ik heb wat foto's van de eerste deur; je ziet daar volgens mij dat het terugveer element gebroken is (dat soort droprolletje, het gele is het ontbrekende deel) wat zou verklaren waarom de deur niet goed sluit.
Spijtig genoeg kan je dit soort onderdelen kennelijk nauwelijks meer krijgen.
ik vond er enkele van andere sloten maar geen die lijkt op wat er in dit slot zit.
Dus kom ik tot de conclusie dat ik het hele slot moet vervangen.
De maat van het slot is als volgens:
Doornmaat: 50mm
Voorplaat lengte: 210mm
Voorplaat breedte: 22mm
Totale slotkast diepte: 68,8mm (zeg even 69mm)
Slotkast lengte: 150mm
Steekmaat: 65mm
Kennelijk is dit een bijzonder lang en ondiep slot aangezien de meeste sloten minder lang en dieper zijn. ik heb even rondgekeken maar kon geen goede vervanger vinden. Het slot dat het dichtst in de buurt kwam was:
Hutra binnendeurslot (klavier) DH29 2918 alleen lijkt de slotkast dieper te liggen.
Dat betekent dat ik de deur verder moet uitbeitelen.
Zelf denk ik dat het gat in de deur vullen en een kleiner slot nemen makkelijker is dan het gat nog groter maken (ook ben ik een beetje bang dat de deur beschadigd/uitscheurt als ik daar nog verder in ga hakken met een beitel en de plek is slecht bereikbaar).
ik had zelf een NEMEF LOOPSLOT 55/T - DM 50 - 133X22MM - D1/2/3/4 in gedachte omdat de slotkast diepte 65mm is en dat dus geen hakwerk betekent.
het zou wel aardig wat vulwerk zijn omdat de lengte van de voorplaat 133mm en de lengte van de slotplaat 80mm is maar dat is een kwestie van vullen met kneedbaar hout (verwacht ik). Ik verlies dan wel het klavierslot maargoed die kon ik toch al niet gebruiken.
Hoe kijken jullie daarna? of zouden jullie dit heel anders aanpakken?
Het liefst wil ik een standaard slot van een merk als Nemef, Mauer of Axa rond de 20-30 euro betalen.
Van mauer en neemef lijkt de veer die hier is stukgegaan wel in omloop te zijn.
Ik hoor graag jullie mening/adies.
:no_upscale():fill(white):strip_exif()/f/image/PdeTSqZTVlquxUVxHm1JPKDo.webp?f=user_large)
:no_upscale():fill(white):strip_exif()/f/image/nNnuFV4FRJJIzLpcDSwLrseL.webp?f=user_large)
:strip_exif()/f/image/vW203PkhTx5Kpc0BApPMs97B.jpg?f=fotoalbum_large)
:strip_exif()/f/image/L11zlKedHuwcLhml1jAdUx4c.jpg?f=fotoalbum_large)
:strip_exif()/f/image/DNnFXcS5rHxUicvk66urNfZ9.jpg?f=fotoalbum_large)