Mijn vraag
Momenteel hebben wij een (hele oude) Pelgrim IDK 825 inductiekookplaat. Dit is een kookplaat van 5600W die in de meterkast op een kookgroep zit aangesloten. Nu werkt alleen één kant nog maar nauwelijks en zijn wij dus aan het kijken naar een andere inductiekookplaat. Het aansluiten lijkt mij niet bijzonder ingewikkeld, maar ik kom er toch niet helemaal uit. Ik heb namelijk mijn twijfels over hoe het nu zit aangesloten en of dat veilig is.
De kookgroep in de meterkast
:fill(white):strip_exif()/f/image/3KNGWtvkEOr1R1tlG0imWXdZ.png?f=user_large)
:fill(white):strip_exif()/f/image/IfuarLMq9UULGxf45neAWYeG.png?f=user_large)
:fill(white):strip_exif()/f/image/mCd1m9XXzofHfysDZdcbK3vK.png?f=user_large)
Huidige aansluiting
:fill(white):strip_exif()/f/image/qvcXTyP7xw1vLkSPkz4RC3pS.png?f=user_large)
/f/image/QUn9KcBee8W7i3ISOMJydYfl.png?f=fotoalbum_large)
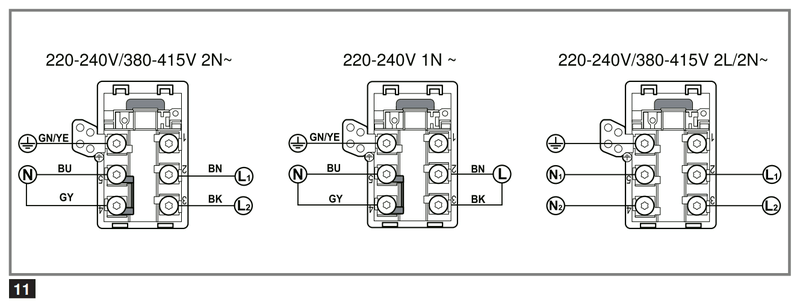
Wat ik al gevonden of geprobeerd heb
Ik heb gekeken in de handleidingen van inductiekookplaten van o.a. IKEA en Bosch. En ik denk dat ik daar dan de 2L-1N aansluitschema's van moet gebruiken. Klopt dat? Althans zo zit volgens mij mijn huidige plaat aangesloten. Of moet er toch het e.e.a. aan de installatie aangepast worden?
Momenteel hebben wij een (hele oude) Pelgrim IDK 825 inductiekookplaat. Dit is een kookplaat van 5600W die in de meterkast op een kookgroep zit aangesloten. Nu werkt alleen één kant nog maar nauwelijks en zijn wij dus aan het kijken naar een andere inductiekookplaat. Het aansluiten lijkt mij niet bijzonder ingewikkeld, maar ik kom er toch niet helemaal uit. Ik heb namelijk mijn twijfels over hoe het nu zit aangesloten en of dat veilig is.
De kookgroep in de meterkast
:fill(white):strip_exif()/f/image/3KNGWtvkEOr1R1tlG0imWXdZ.png?f=user_large)
:fill(white):strip_exif()/f/image/IfuarLMq9UULGxf45neAWYeG.png?f=user_large)
:fill(white):strip_exif()/f/image/mCd1m9XXzofHfysDZdcbK3vK.png?f=user_large)
Huidige aansluiting
:fill(white):strip_exif()/f/image/qvcXTyP7xw1vLkSPkz4RC3pS.png?f=user_large)
/f/image/QUn9KcBee8W7i3ISOMJydYfl.png?f=fotoalbum_large)
Wat ik al gevonden of geprobeerd heb
Ik heb gekeken in de handleidingen van inductiekookplaten van o.a. IKEA en Bosch. En ik denk dat ik daar dan de 2L-1N aansluitschema's van moet gebruiken. Klopt dat? Althans zo zit volgens mij mijn huidige plaat aangesloten. Of moet er toch het e.e.a. aan de installatie aangepast worden?
(/f/image/6f4DGg8JdHmjv539ABlJmaol.png?f=fotoalbum_large)
/f/image/xMTQhbOL7aeEtDgTqO3urD8M.png?f=fotoalbum_large)
:strip_exif()/f/image/ms0OQ5pw8PVX4WF9tTlKVApy.jpg?f=fotoalbum_large)
:fill(white):strip_exif()/f/image/vSXxB0qLmP2IplFB38yTMVMf.png?f=user_large)
:fill(white):strip_exif()/f/image/5KRMjtFc4qzr8YWhFYtLM3C4.png?f=user_large)
:no_upscale():strip_icc():fill(white):strip_exif()/f/image/gKxFDoBd5Ok5gFibZ7ueGhUJ.jpg?f=user_large)