Beste mede tweakers
Afgelopen jaren flink geïnvesteerd, maar zou graag nog 1 dingetje toevoegen, namelijk het voorverwarmen van tapwater met de warmtepomp voordat het de (zonne)boiler in gaat. Dit om in de koude periode van het jaar minder COP1 hoeven te verwarmen, maar ook om wat minder naar het systeem om te hoeven kijken.
12,2 kwp PV
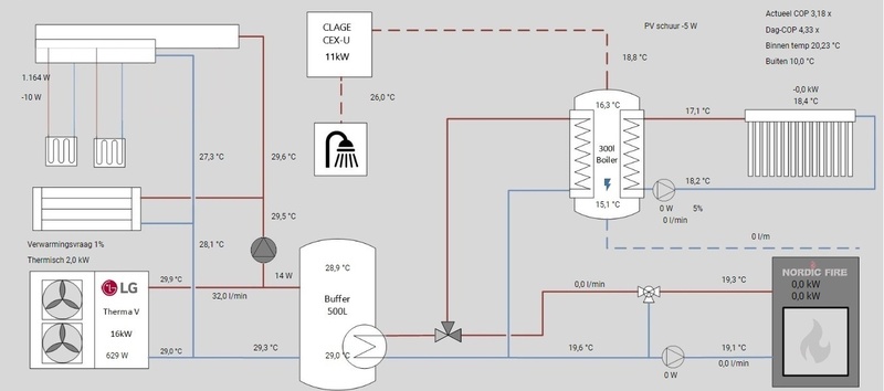
LG Therma V Monoblock 16kw – 500L buffervat
Zonneboiler 60 HP – 300L boiler – Elektrisch element 2kw als bijverwarming
Hout-CV met koppeling aan boiler en buffervat
Clage CEX 11kW doorstroomverwarmer achter de zonneboiler (waar ‘vroeger’ de CV-Ketel zat)
Gasaansluiting verwijderd.
Schematisch ziet dat er dan uiteindelijk zo uit:
:strip_exif()/f/image/blrqLmOytgxpvoS8iMp5h1AE.jpg?f=fotoalbum_large)
Alles is ook met oog op terugverdientijd en eenvoud geselecteerd, dus grote veranderingen aan setup zijn niet wenselijk.
Ervaring is tot dusver dat in de zomer de boiler ruim voldoende verwarmd wordt door de zon om voor warm tapwater geen na-verwarming of legionellarun te hoeven doen. De warmtepomp doet zijn werk ook prima, na een jaartje zoeken de perfecte setup gevonden en echt geen omkijken meer naar. Als we incidenteel de Houtkachel stoken dan stoppen we daar ook veel warmte van in de boiler, en als deze op temperatuur is gaat het restant naar de buffer.
Wat ik graag nog zou willen is een manier om het koude tapwater naar de zonneboiler in de winter voor te verwarmen. De zon doet dan niet zo veel en een doorstroomverwarmer is dan ook vrij beperkt in capaciteit. We merken we nu al dat we soms echt bewust de boiler moeten voorverwarmen met het 2kw COP1 element, omdat de doorstroomverwarmer het simpelweg niet aan kan. Een quick fix is simelweg de kraan van de douche minder ver open draaien. Prima te doen, maar niet bij het vullen van een 2 persoons bad van 400 liter, dat duurt dan toch tamelijk lang! Ik heb zo’n 25 grC water nodig in de boiler om de regendouche i.c.m. doorstromer goed te kunnen gebruiken. Nu bereiken we dat door af en toe de COP1 verwarming in de boiler in te schakelen, voordat we in bad gaan of douchen. Tijdens het douchen komt er in de winter water van 10grC de boiler in. Dat krijgt de doorstromer bij lange na niet op 40 grC met een regendouche die 12-15l/min pakt.
Waar ik dus aan zit te denken is om het inkomende tapwater naar de boiler toe, voor te verwarmen. Ik heb nog een spiraal bovenin het buffervat over, ongeveer 1m2, echter ik denk dat dit geen RVS spiraal is. De buffer is eigenlijk een oude boiler die ik voor schandalig weinig geld op de kop kon tikken. Model tesy ev 15/7 s2 500 75. Een nieuw vat met hygienespiraal kost me te veel, zou wel ideaal zijn natuurlijk.
Het alternatief is dan om een RVS platenwarmtewisselaar te gebruiken om het water naar de boiler toe voor te verwarmen. De locatie zou dan ergens in de toevoer naar de buffer zijn, omdat daar meestal de hoogste flow aanwezig is. Het idee is dat als het koud wordt de warmtepomp altijd wel aan staat en water van zo’n 28-35 grC produceert met een COP3-4 ongeveer, afhankelijk van de buitentemp. Het inkomende tapwater zou ik dan graag van bijv. 10gr C naar 20-25 grC willen verwarmen, dat lijkt me te doen. Dit scheelt toch weer een flink stuk COP1 verwarmen, ook met oog op de wekelijkse legionella cyclus. Onderstaand hoe dat er dan ongeveer uit zou moeten zien
:strip_exif()/f/image/Pc0BpQ9zLL8fzGVOMqdYoS6m.jpg?f=fotoalbum_large)
Legionella in de RVS WW zelf zou geen issue moeten zijn is mijn inschatting omdat deze genoeg ververst. In de boiler verandert er eigenlijk niet zo veel, zal nog steeds af en toe boiler moeten verwarmen naar 60grC om legionella te killen.
Zijn hier mensen met soortgelijke systemen, wellicht zijn er betere oplossingen in het bestaande systeem in te passen. Ik hoor graag jullie ervaringen/feedback. Misschien zie ik wel iets over het hoofd.
Afgelopen jaren flink geïnvesteerd, maar zou graag nog 1 dingetje toevoegen, namelijk het voorverwarmen van tapwater met de warmtepomp voordat het de (zonne)boiler in gaat. Dit om in de koude periode van het jaar minder COP1 hoeven te verwarmen, maar ook om wat minder naar het systeem om te hoeven kijken.
12,2 kwp PV
LG Therma V Monoblock 16kw – 500L buffervat
Zonneboiler 60 HP – 300L boiler – Elektrisch element 2kw als bijverwarming
Hout-CV met koppeling aan boiler en buffervat
Clage CEX 11kW doorstroomverwarmer achter de zonneboiler (waar ‘vroeger’ de CV-Ketel zat)
Gasaansluiting verwijderd.
Schematisch ziet dat er dan uiteindelijk zo uit:
:strip_exif()/f/image/blrqLmOytgxpvoS8iMp5h1AE.jpg?f=fotoalbum_large)
Alles is ook met oog op terugverdientijd en eenvoud geselecteerd, dus grote veranderingen aan setup zijn niet wenselijk.
Ervaring is tot dusver dat in de zomer de boiler ruim voldoende verwarmd wordt door de zon om voor warm tapwater geen na-verwarming of legionellarun te hoeven doen. De warmtepomp doet zijn werk ook prima, na een jaartje zoeken de perfecte setup gevonden en echt geen omkijken meer naar. Als we incidenteel de Houtkachel stoken dan stoppen we daar ook veel warmte van in de boiler, en als deze op temperatuur is gaat het restant naar de buffer.
Wat ik graag nog zou willen is een manier om het koude tapwater naar de zonneboiler in de winter voor te verwarmen. De zon doet dan niet zo veel en een doorstroomverwarmer is dan ook vrij beperkt in capaciteit. We merken we nu al dat we soms echt bewust de boiler moeten voorverwarmen met het 2kw COP1 element, omdat de doorstroomverwarmer het simpelweg niet aan kan. Een quick fix is simelweg de kraan van de douche minder ver open draaien. Prima te doen, maar niet bij het vullen van een 2 persoons bad van 400 liter, dat duurt dan toch tamelijk lang! Ik heb zo’n 25 grC water nodig in de boiler om de regendouche i.c.m. doorstromer goed te kunnen gebruiken. Nu bereiken we dat door af en toe de COP1 verwarming in de boiler in te schakelen, voordat we in bad gaan of douchen. Tijdens het douchen komt er in de winter water van 10grC de boiler in. Dat krijgt de doorstromer bij lange na niet op 40 grC met een regendouche die 12-15l/min pakt.
Waar ik dus aan zit te denken is om het inkomende tapwater naar de boiler toe, voor te verwarmen. Ik heb nog een spiraal bovenin het buffervat over, ongeveer 1m2, echter ik denk dat dit geen RVS spiraal is. De buffer is eigenlijk een oude boiler die ik voor schandalig weinig geld op de kop kon tikken. Model tesy ev 15/7 s2 500 75. Een nieuw vat met hygienespiraal kost me te veel, zou wel ideaal zijn natuurlijk.
Het alternatief is dan om een RVS platenwarmtewisselaar te gebruiken om het water naar de boiler toe voor te verwarmen. De locatie zou dan ergens in de toevoer naar de buffer zijn, omdat daar meestal de hoogste flow aanwezig is. Het idee is dat als het koud wordt de warmtepomp altijd wel aan staat en water van zo’n 28-35 grC produceert met een COP3-4 ongeveer, afhankelijk van de buitentemp. Het inkomende tapwater zou ik dan graag van bijv. 10gr C naar 20-25 grC willen verwarmen, dat lijkt me te doen. Dit scheelt toch weer een flink stuk COP1 verwarmen, ook met oog op de wekelijkse legionella cyclus. Onderstaand hoe dat er dan ongeveer uit zou moeten zien
:strip_exif()/f/image/Pc0BpQ9zLL8fzGVOMqdYoS6m.jpg?f=fotoalbum_large)
Legionella in de RVS WW zelf zou geen issue moeten zijn is mijn inschatting omdat deze genoeg ververst. In de boiler verandert er eigenlijk niet zo veel, zal nog steeds af en toe boiler moeten verwarmen naar 60grC om legionella te killen.
Zijn hier mensen met soortgelijke systemen, wellicht zijn er betere oplossingen in het bestaande systeem in te passen. Ik hoor graag jullie ervaringen/feedback. Misschien zie ik wel iets over het hoofd.
LG Therma V HM163M U33 / 5kWp Zuid - 7,2kWp West - 2,8kWp Oost / 48HP 300l / 3x Multiplus 2/5000, 40kWh LFP. BMW iX3 2022