Hallo,
Ik heb een Foscam VD1 videodeurbel en wil die aansluiten op een Honeywell DW915S gong (chime). Echter, ik ervaar phantom ringing (random ringing): alles lijkt perfect te werken (gong gaat, wanneer je op de videodeurbelknop drukt, anders niet), maar af en toe (ook 's nachts) gaat die gong dan toch eens af (zonder de videodeurbel, dus zuiver de gong) meestal 1 keertje, maar soms ook constant... Dit fenomeen is bekend met diverse videodeurbellen (incl. Foscam VD1) en diverse gongen (incl. Honeywell DW915S).
Sommigen beweren dit opgelost te hebben met een andere transformator, een weerstand of een diode.
Om dit probleem bij mij in het bijzonder te kunnen oplossen, lijkt het me nuttig te begrijpen hoe de videodeurbel, transformator, gong en Power Kit werken. Die laatste is een met de videodeurbel meegeleverde module die parallel met de gong geplaatst moet worden (en dat is bij mij dan ook het geval).
* Is een knop van een videodeurbel iets zoals bij een klassieke? M.a.w. als je er niet op duwt, is de kring open; als je erop duwt, is de kring toe?
* Hoe werkt de Power Kit? Ik dacht dat de gong constant zou rinkelen zonder deze module?
* Maar hoe werkt ze mét die module? Ze zuigt wellicht de stroom naar haar toe (en dus weg van de gong)?
* Maar hoe brengt de videodeurbelknop daar dan verandering in?
* En hoe kan phantom ringing ontstaan dan? En waarom zouden voormelde oplossingen (bvb. zwaardere trafo) dit oplossen?
Ik probeer die zaken elektrisch te begrijpen, zodat ik richting een oplossing kan denken voor mijn situatie.
Alvast bedankt! Alle advies en uitleg is nuttig!
Extra details
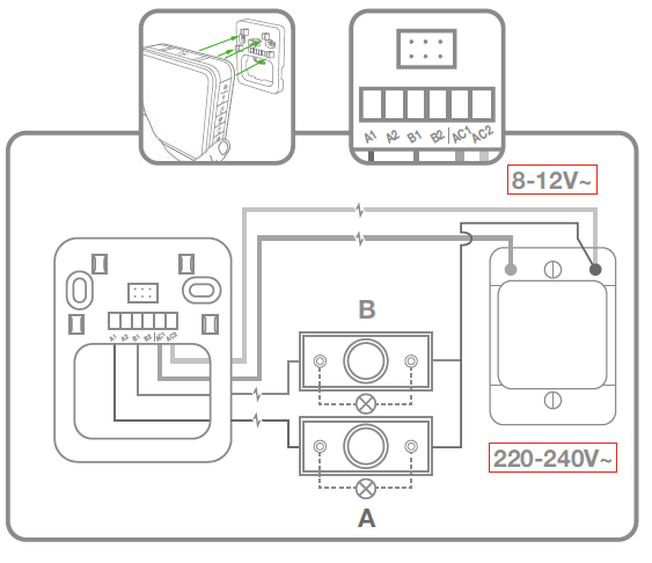
Ik heb de videodeurbel Foscam VD1, aangesloten op een trafo (8VA) en bedraad (RJ45) op het netwerk. Ik heb de VD1 verbonden met een digitale gong (chime; Honeywell DW915S), zoals het schema hieronder van Honeywell (mijn videodeurbel is A; er is geen bel
. Let op, er hoort nog een Power Kit bij.
:fill(white):strip_exif()/f/image/U9DlM6nNTW3J7lwlC78n72S9.png?f=user_large)
De gong werkt op batterijen (zijn volgens de handleiding van Honeywell ook effectief nodig bij dit schema en ik kan dit beamen).
De Power Kit module van de videodeurbel is aangesloten op A1 en AC1 en staat niet in bypass mode (dus de module is opgesteld, zoals Foscam het voorschrijft).
In de Foscam app staat de chime geconfigureerd, nl. als “digitaal”.
Op zich werkt dit goed, maar ik krijg af en toe toch phantom (random) ringing (niet heel veel, maar toch enkele keren per dag; meestal 1 korte “bel”, heel soms constant gebel). Hebben jullie een idee hoe dit komt en wat ik eraan kan doen? Op het Net wordt gesproken van een andere/hogere trafo, een resistor en/of een diode als oplossing om bepaalde “verkeerde voltages” (of stromen?) (piekjes? Variaties?) rond de chime weg te werken (wellicht is er soms “iets” elektrisch dat de chime triggert, maar er eigenlijk niet zou mogen zijn). Met mijn huidige trafo heb ik 8VA, maar ik moet de electricien eens vragen op welk voltage (en dus ook welke stroom) die nu werkt, maar het is normaal 8 of 12V. Let wel: in voormelde opstelling is de gong niet op een eigen trafo aangesloten en werkt ze op batterijen, maar ze maakt natuurlijk wel deel uit van een schema waarin een trafo zit (die trafo voedt de videodeurbel, dus die werkt niet op batterijen). De batterijen voor de gong zijn volgens Honeywell in deze opstelling verplicht (er is nog een opstelling met eigen trafo, maar dat ondersteunt Foscam dan weer niet officieel, al moet ik het nog uittesten). Ik vermoed dus dat de stroomkring niet als voeding voor de gong dient, maar enkel als datasignaal (knop videodeurbel ingedrukt of niet)?
Ik beschik nu over deze info (corrigeer me, indien er een fout tussen staat):
1. Voor de videodeurbel (Foscam VD1):
a. Spanning: 8-24V AC
b. Max. vermogen door de VD1: 8W
c. Gevolg: stroom is bij bvb. 8/12/24V 1A, 0,66A resp. 0,5A); Hoe groot de stroom is zou volgens Foscam niet echt uitmaken.
d. Transformator moet min. 8 VA zijn (maar mag dus meer zijn)
e. Zie https://www.foscam.nl/vra...uiken-voor-de-vd1-deurbel en https://www.foscam.nl/vd1.html en https://www.foscam.com/faqs/view.html?id=264
f. Ik weet van iemand die al een transformator gebruikt heeft op 16V, 2A (16 VA).
2. Voor de gong (Honeywell DW915S):
a. Spanning: 8/12 V AC (al zou volgens een andere bron 16V ook kunnen) => vermoedelijk enkel van toepassing, wanneer op eigen transfo en dus niet volgens het schema dat ik hierboven geplakt heb?
b. Zie https://livewell.honeywellhome.com/nl-be/deurbellen/dw915s, Honeywell Home | Informatieblad - 9 Reeks - DW915S | NL-BE, https://livewell.honeywel...2304380-001_Rev_D_WEB.pdf en https://livewell.honeywel...loads/32343181-001-UK.pdf
Schema gekregen van Foscam.com Support:
[/URL]
Schema van een andere videodeurbel, maar principe is gelijk:
Ik heb een Foscam VD1 videodeurbel en wil die aansluiten op een Honeywell DW915S gong (chime). Echter, ik ervaar phantom ringing (random ringing): alles lijkt perfect te werken (gong gaat, wanneer je op de videodeurbelknop drukt, anders niet), maar af en toe (ook 's nachts) gaat die gong dan toch eens af (zonder de videodeurbel, dus zuiver de gong) meestal 1 keertje, maar soms ook constant... Dit fenomeen is bekend met diverse videodeurbellen (incl. Foscam VD1) en diverse gongen (incl. Honeywell DW915S).
Sommigen beweren dit opgelost te hebben met een andere transformator, een weerstand of een diode.
Om dit probleem bij mij in het bijzonder te kunnen oplossen, lijkt het me nuttig te begrijpen hoe de videodeurbel, transformator, gong en Power Kit werken. Die laatste is een met de videodeurbel meegeleverde module die parallel met de gong geplaatst moet worden (en dat is bij mij dan ook het geval).
* Is een knop van een videodeurbel iets zoals bij een klassieke? M.a.w. als je er niet op duwt, is de kring open; als je erop duwt, is de kring toe?
* Hoe werkt de Power Kit? Ik dacht dat de gong constant zou rinkelen zonder deze module?
* Maar hoe werkt ze mét die module? Ze zuigt wellicht de stroom naar haar toe (en dus weg van de gong)?
* Maar hoe brengt de videodeurbelknop daar dan verandering in?
* En hoe kan phantom ringing ontstaan dan? En waarom zouden voormelde oplossingen (bvb. zwaardere trafo) dit oplossen?
Ik probeer die zaken elektrisch te begrijpen, zodat ik richting een oplossing kan denken voor mijn situatie.
Alvast bedankt! Alle advies en uitleg is nuttig!
Extra details
Ik heb de videodeurbel Foscam VD1, aangesloten op een trafo (8VA) en bedraad (RJ45) op het netwerk. Ik heb de VD1 verbonden met een digitale gong (chime; Honeywell DW915S), zoals het schema hieronder van Honeywell (mijn videodeurbel is A; er is geen bel
:fill(white):strip_exif()/f/image/U9DlM6nNTW3J7lwlC78n72S9.png?f=user_large)
De gong werkt op batterijen (zijn volgens de handleiding van Honeywell ook effectief nodig bij dit schema en ik kan dit beamen).
De Power Kit module van de videodeurbel is aangesloten op A1 en AC1 en staat niet in bypass mode (dus de module is opgesteld, zoals Foscam het voorschrijft).
In de Foscam app staat de chime geconfigureerd, nl. als “digitaal”.
Op zich werkt dit goed, maar ik krijg af en toe toch phantom (random) ringing (niet heel veel, maar toch enkele keren per dag; meestal 1 korte “bel”, heel soms constant gebel). Hebben jullie een idee hoe dit komt en wat ik eraan kan doen? Op het Net wordt gesproken van een andere/hogere trafo, een resistor en/of een diode als oplossing om bepaalde “verkeerde voltages” (of stromen?) (piekjes? Variaties?) rond de chime weg te werken (wellicht is er soms “iets” elektrisch dat de chime triggert, maar er eigenlijk niet zou mogen zijn). Met mijn huidige trafo heb ik 8VA, maar ik moet de electricien eens vragen op welk voltage (en dus ook welke stroom) die nu werkt, maar het is normaal 8 of 12V. Let wel: in voormelde opstelling is de gong niet op een eigen trafo aangesloten en werkt ze op batterijen, maar ze maakt natuurlijk wel deel uit van een schema waarin een trafo zit (die trafo voedt de videodeurbel, dus die werkt niet op batterijen). De batterijen voor de gong zijn volgens Honeywell in deze opstelling verplicht (er is nog een opstelling met eigen trafo, maar dat ondersteunt Foscam dan weer niet officieel, al moet ik het nog uittesten). Ik vermoed dus dat de stroomkring niet als voeding voor de gong dient, maar enkel als datasignaal (knop videodeurbel ingedrukt of niet)?
Ik beschik nu over deze info (corrigeer me, indien er een fout tussen staat):
1. Voor de videodeurbel (Foscam VD1):
a. Spanning: 8-24V AC
b. Max. vermogen door de VD1: 8W
c. Gevolg: stroom is bij bvb. 8/12/24V 1A, 0,66A resp. 0,5A); Hoe groot de stroom is zou volgens Foscam niet echt uitmaken.
d. Transformator moet min. 8 VA zijn (maar mag dus meer zijn)
e. Zie https://www.foscam.nl/vra...uiken-voor-de-vd1-deurbel en https://www.foscam.nl/vd1.html en https://www.foscam.com/faqs/view.html?id=264
f. Ik weet van iemand die al een transformator gebruikt heeft op 16V, 2A (16 VA).
2. Voor de gong (Honeywell DW915S):
a. Spanning: 8/12 V AC (al zou volgens een andere bron 16V ook kunnen) => vermoedelijk enkel van toepassing, wanneer op eigen transfo en dus niet volgens het schema dat ik hierboven geplakt heb?
b. Zie https://livewell.honeywellhome.com/nl-be/deurbellen/dw915s, Honeywell Home | Informatieblad - 9 Reeks - DW915S | NL-BE, https://livewell.honeywel...2304380-001_Rev_D_WEB.pdf en https://livewell.honeywel...loads/32343181-001-UK.pdf
Schema gekregen van Foscam.com Support:
[/URL]Schema van een andere videodeurbel, maar principe is gelijk:
[ Voor 4% gewijzigd door PadrePedro op 13-10-2023 20:17 ]