hallo
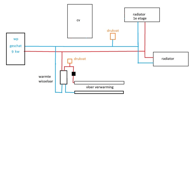
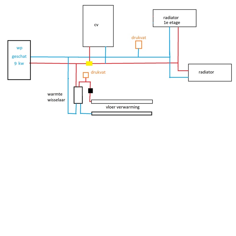
Ik heb een redelijk groot vrijstaand huis met een vrij grote huiskamer met veel glas, een stenen vloer met VV. 2100M3 per jaar aan gas
Wil een warmtepomp en overweeg die uitsluitend aan te sluiten op de VV en de CV gewoon te blijven gebruiken.... lekker eenvoudig en nooit te koud. VV is gescheiden van CV door een warmtewisselaar ivm oude zwarte slangen in de vloer
afbeelding 3
Maar kan ook de WP op de VV en op alle radiatoren aansluiten (waarvan er overigens maar 3 open staan)
heb tekeningen bijgevoegd en er zijn mi 3 mogelijke situaties
:strip_exif()/f/image/bkDqzrRjx6aUFmotmwvm0vzK.jpg?f=fotoalbum_large)
:strip_exif()/f/image/VCpom4u3WkRtgHMZE8M5q8Id.jpg?f=fotoalbum_large)
[URL="https://tweakers.net/i/H1r_cGQTLkvfg__U56wEo89r7zE=/full-fit-in/4920x3264/filters:max_bytes(3145728):no_upscale():strip_icc():fill(white):strip_exif()/f/image/R4BEYJzlH4bDWg7iAvbTD8YT.jpg?f=user_large",,"1"]
[/URL
hoor graag jullie mening
Ik heb een redelijk groot vrijstaand huis met een vrij grote huiskamer met veel glas, een stenen vloer met VV. 2100M3 per jaar aan gas
Wil een warmtepomp en overweeg die uitsluitend aan te sluiten op de VV en de CV gewoon te blijven gebruiken.... lekker eenvoudig en nooit te koud. VV is gescheiden van CV door een warmtewisselaar ivm oude zwarte slangen in de vloer
Maar kan ook de WP op de VV en op alle radiatoren aansluiten (waarvan er overigens maar 3 open staan)
heb tekeningen bijgevoegd en er zijn mi 3 mogelijke situaties
:strip_exif()/f/image/bkDqzrRjx6aUFmotmwvm0vzK.jpg?f=fotoalbum_large)
:strip_exif()/f/image/VCpom4u3WkRtgHMZE8M5q8Id.jpg?f=fotoalbum_large)
[URL="https://tweakers.net/i/H1r_cGQTLkvfg__U56wEo89r7zE=/full-fit-in/4920x3264/filters:max_bytes(3145728):no_upscale():strip_icc():fill(white):strip_exif()/f/image/R4BEYJzlH4bDWg7iAvbTD8YT.jpg?f=user_large",,"1"]
[/URLhoor graag jullie mening
[ Voor 3% gewijzigd door frans3 op 13-12-2022 10:00 ]