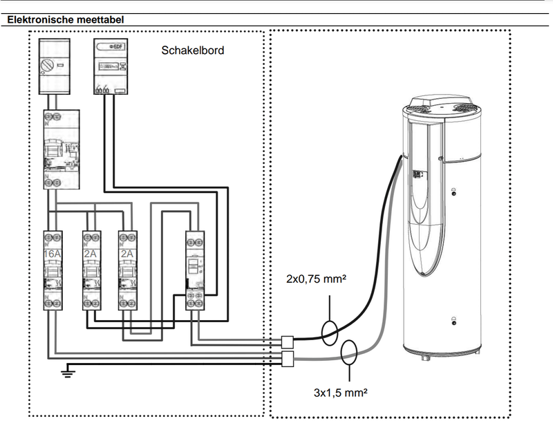
Ik heb een Atlantic thermodynamische water verwarmer. Het is mogelijk om daar via een draad (twee aders dun) aan te geven of er op dat moment hoog of laag tarief stroom is. Mijn elektrische installatie kan dat echter niet leveren.
Weet iemand wat voor een signaal er via die draad gegeven word? Ik neem aan iets als 12 volt of 0 volt. Als ik dat weet kan ik dat signaal makkelijk generen.
Weet iemand wat voor een signaal er via die draad gegeven word? Ik neem aan iets als 12 volt of 0 volt. Als ik dat weet kan ik dat signaal makkelijk generen.
/f/image/KaWIenBQeg2d85Fooo1YRgWi.png?f=fotoalbum_large)
/f/image/HdfwYrVrMGW639lPBa5wFGK3.png?f=fotoalbum_large)