Check alle échte Black Friday-deals Ook zo moe van nepaanbiedingen? Wij laten alleen échte deals zien

Vraag


  • swarthoofd
  • Registratie: Januari 2013
  • Laatst online: 17-09 22:30
Hallo Tweakers!

Voor ik begin concreet de vraag wel of geen buffervat in mijn systeem nodig?

Eerder begon ik een topic over het warmteverlies in mijn zelfgebouwde tuinhuis wat mogelijk toch allemaal lijkt mee te vallen. Nu wil ik zelf een cv installatie samen gaan stellen maar ik loop vast. Hopelijk willen jullie mij helpen. Ik heb mijn oog laten vallen op de Itho Vincent aangezien deze geen buitenunit heeft wat mij het beste uit zou komen en samen werkt met de ventilatie in het gebouw. Allereerst wat gegevens over het gebouw:

- 20 cm tempex onder de beton fundering
- vloerverwarming gelegd in de cement dekvloer buis 16 mm
- wanden zijn opgebouwd uit 8 cm sandwichpaneel en 7 cm mineralen wol
- dak is opgebouwd uit 12 cm sandiwchpanelen
- vloer opperverlak ongeveer 35 m2 en ongeveer 90 kuub
- 2 schuiframen aanwezig van 2x2 en 3x2 meter met daarvoor rolluiken

Het gegeven is de vloerverwarming in de cement dekvloer, op de buizen zit een 4 groeps kunststof verdeler aangesloten en de vloerverwarming groepen heb ik ieder nagenoeg even groot gemaakt. Vanuit de fabrikant wordt geadviseerd om een buffervat toe te passen. Alleen lees ik op het forum dat een buffer vat vaak niet nodig is. De fabrikant had het nog over dat het afhankelijk is ivm het benodigde vermogen en of er kleppen in het systeem zitten. Ik denk dat ze bedoelen dat de warmtepomp zonder buffer het niet zo leuk vind dat een radiator in het systeem aan en uit gezet kan worden waardoor er geen stroming is?

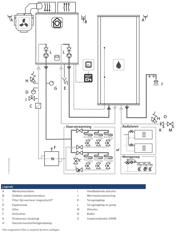
Zie hieronder het aansluitschema van de Itho vincent

Afbeeldingslocatie: https://tweakers.net/i/Xkq8n28pxZgwP9iZtpKPtmy8OHA=/x800/filters:strip_exif()/f/image/jWEJCihd9fLRmU9U3L4JKUpJ.png?f=fotoalbum_large

Alle reacties


  • Theo
  • Registratie: Januari 2005
  • Laatst online: 20-11 23:36

Theo

moederbord

Een buffervat is met vloerverwarming zeker niet nodig. Met 35 vierkante meter aan oppervlakte, een vloervewarming met een h-o-h van 20 cm (gokje?) heb je al snel 150-200 meter aan leiding in je vloer liggen, en dat heeft alleen al een inhoud van 30 liter. Dus eenbuffervat heeft dan niet heel veel zin om te plaatsen gezien je al behoorlijk wat buffer hebt in je vloer.

Je warmtebehoefte in je tuinhuis zal zo'n 50 watt per graadverschil zijn. Dus als je het binnen 20 graden warmer wil hebben dan buiten dan is er 1.000 watt aan thermisch verlies, en moet een warmtebron dus ook 1.000 watt aan warmte leveren. Wil je bij -20C ook nog warm kunnen zitten dan zul je een bron nodig hebben die 2 kw kan leveren, plus je ventilatieverlies. Wanneer je ventilatie op orde is (30 m3 kuub per persoon aan luchtverversing) dan heb je met een simpele afzuiging (geen WTW) een continue ventilatie hebben van 60 kuub/uur. Die luchtverversing zorgt dan biij -20°C voor een additionele warmtebehoefte van 650 watt waarmee je warmtebron 2.7 kW moet kunnen leveren.

Ga je hier ver boven zitten (door bijv een 9 kW warmtepomp te gebruiken) dan zal de WP veel gaan pendelen. Gebruik je een 3 kW warmtepomp dan zal deze bijna niet gaan pendelen, wat ook de noodzaak tot een buffer boventallig maakt.

Dus met een 3 kW warmtepomp is geen buffervat nodig. Ga je voor een zwaardere WP (die duurder is in aanschaf en verbruik, en op alle manieren zonde is), dan zul je een bufffervat nodig gaan hebben om de overdimensionering te compenseren. Maar met een 3 kW model (of een 5kW die goed kan terugschakelen) is de 30 liter buffer die nu al in je vloer zit ook al voldoende.

7400 Wp op het dak


  • swarthoofd
  • Registratie: Januari 2013
  • Laatst online: 17-09 22:30
@Theo allereerst enorm bedankt dat je de moeite en tijd hebt genomen om te reageren! De vloerverwarming ligt om die 10 cm dus als je alleen tussen de buizen op de heenweg kijkt is het idd 20 cm. De Itho Vincent is 4 kw met het voordeel dat het geen buiten unit heeft. Deze zal dus prima geschikt kunnen zijn voor deze ruimte en een buffervat is dan niet nodig.

Wil je nog met me delen hoe kom je op 50 watt graadverschil?

Stel ik wil deze berekening ook voor bijv mijn woonhuis doen.
- Vloer oppervlak van 145 m2
- op de begane grond vloerverwarming
- laag temperatuur radiatoren die bijna nooit aan staan
- badkamer een radiator aan de wand voor handdoeken
- 900 kuub gas per jaar
- woning uit 2006 zeer goed geïsoleerd

  • Theo
  • Registratie: Januari 2005
  • Laatst online: 20-11 23:36

Theo

moederbord

swarthoofd schreef op woensdag 28 september 2022 @ 13:56:
@Theo allereerst enorm bedankt dat je de moeite en tijd hebt genomen om te reageren! De vloerverwarming ligt om die 10 cm dus als je alleen tussen de buizen op de heenweg kijkt is het idd 20 cm. De Itho Vincent is 4 kw met het voordeel dat het geen buiten unit heeft. Deze zal dus prima geschikt kunnen zijn voor deze ruimte en een buffervat is dan niet nodig.

Wil je nog met me delen hoe kom je op 50 watt graadverschil?

Stel ik wil deze berekening ook voor bijv mijn woonhuis doen.
- Vloer oppervlak van 145 m2
- op de begane grond vloerverwarming
- laag temperatuur radiatoren die bijna nooit aan staan
- badkamer een radiator aan de wand voor handdoeken
- 900 kuub gas per jaar
- woning uit 2006 zeer goed geïsoleerd
Die 50 watt is gebaseerd op waar je isolatie ongeveer uit bestaat, waarbij ik gok dat je tuinhuis 5 x 7 meter is:
- Je hebt 24 lengtemeter aan muur. Met een hoogte van 2.5 meter is dit 60 vierkante meter aan muur. Die muur is met 7 cm aan glaswol geïsoleerd. Dit heeft een Rc waarde van rond de 2.0 W/K.m2, dus een warmtedoorlaat van 0.5 watt per vierkante meter per graad. Die 60 vierkante meter muur 'lekt' dus 30 watt/K.

Het plafond is 35 vierkante meter, dat met een Rc van 3.0 is geïsoleerd, dus een warmtedoorlat heeft van 0.33 watt per m2 per C. Met 35 vierkante meter aan dak is dit dus 10 watt/K.

Je hebt 10 vierkante meter aan glas, dat bij benadering een warmtedoorlaat heeft van 1 W/k.m2. Die 10 vierkante meter aan klas/kozijnen/deuren lekken dus 10 watt/K.

Het verlies door de vloer is zeer weinig en kun je negeren mits de vloer geïsoleerd is.

Dan zit je in totaal dus op 30+10+10 = 50 watt aan warmteverlies per graad verschil tussen binnen en buiten. Mogelijk is het iets meer omdat het niet luchtdicht is gebouwd is en je vast wel ergens een koudebrug hebt, maar dat kun je ook wegstrepen met het feit dat het bouwmateriaal zelf ook wel iets van isolatie heeft (ik gok dat je muren niet enkel uit glaswol bestaat, maar er ook iets van hout/steen/kunststof is om het stevig en regen/winddicht te krijgen)

Wanneer je tuinhuis veel meer muurlengte heeft 24 meter (bijv omdat het 35 meter lang is en één meter breed) dan zal het iets meer zijn dan de 50 W/K aan warmteverlies (en dus warmtebehoefte)

Voor een huis is het wat lastiger te berekenen omdat j veel meer soorten vlakken hebt zoals een buitenmuur van een uitbouw, een serre, tussenmuur naar de buren enz, en je te maken hebt met verschillende temperaturen in huis.

7400 Wp op het dak


  • swarthoofd
  • Registratie: Januari 2013
  • Laatst online: 17-09 22:30
@Theo

De wanden van het tuinhuis bestaan uit 7 cm mineralen wol met een RD waarde van 2 en 8 cm sandwichpanelen die zullen een RC waarde hebben van rond de 3.5 totaal een RC van 5.5.

Het dak is 12 cm sandwich daar staat ongeveer een RC van 5,45 voor.

Je zegt:
Dit heeft een Rc waarde van rond de 2.0 W/K.m2, dus een warmtedoorlaat van 0.5 watt per vierkante meter per graad.

Wil je mij misschien uitleggen hoe je van 2.0 W/K m2 naar 0.5 watt gaat?

  • swarthoofd
  • Registratie: Januari 2013
  • Laatst online: 17-09 22:30
Ik lees trouwens op internet:
Rc-waarde VLOER: minimaal 3,7 m2K/W
Rc-waarde WAND: minimaal 4,7 m2K/W
Rc-waarde DAK: minimaal 6,3 m2K/W

Dus mijn plafond voldoet niet aan de Het bouwbesluit ( 1 januari 2021).

  • Theo
  • Registratie: Januari 2005
  • Laatst online: 20-11 23:36

Theo

moederbord

swarthoofd schreef op woensdag 28 september 2022 @ 16:52:
@Theo

De wanden van het tuinhuis bestaan uit 7 cm mineralen wol met een RD waarde van 2 en 8 cm sandwichpanelen die zullen een RC waarde hebben van rond de 3.5 totaal een RC van 5.5.

Het dak is 12 cm sandwich daar staat ongeveer een RC van 5,45 voor.

Je zegt:
Dit heeft een Rc waarde van rond de 2.0 W/K.m2, dus een warmtedoorlaat van 0.5 watt per vierkante meter per graad.

Wil je mij misschien uitleggen hoe je van 2.0 W/K m2 naar 0.5 watt gaat?
Om de warmtedoorlaat van (bijv) een Rc van 5.5 te berekenen is een vrij complexe berekening voor nodig :P Namelijk één gedeeld door de Rc van je isolatiemateriaal is de warmtedoorlaat per graad verschil per m2. Dus een Rc van 2 vertaalt zich naar een warmtedoorlaat van 0.5 watt/m2.k

Je kan het ook nog breder trekken; je hebt de lambdawarde van je isolatiemateriaal. VOor glaswol is dit ongeveer 0.033 W/m.K. (watt per meter per kelvin) Ofwel als je een meter dik glaswol hebt dan gaat er per graad verschil tussen beide kanten 0.033 watt aan warmte doorheen per vierkante meter.

De warmtedoorlaat van een isolatie hangt dus van z'n fysieke eigenschap af (de labdawaarde), en de dikte van het materiaal. de warmtedoorlaat van een bepaalde isolatie (bijv een rol glaswol) is te berekenen door de labdawaarde te delen door z'n dikte (in meter). Een 12 cm dikke glaswoldeken heeft dan dus een thermische weerstand (of doorlaat) van (0.033 W/m.K / 0.12 m =) 0.275 W/k per vierkante meter.
De Rc waarde is dan weer te bepalen door één te delen door die waarde. Dus een 12 cm glaswoldeken heeft dan een Rc waarde van (1/0.275 =) 3.64.

Maar met deze kennis, plus de kennis van hoeveel oppervlakte de muren en vloer dus exact is kun je zelf ook bepalen wat het thermische verlies is van je tuinhuis:
[aantal vierkante meter aan muren] * [1/Rc waarde van de muurisolatie]
Hetzelfde kun je dan ook doen voor het dak en voor de ramen, al wordt er bij de ramen vaak gelijk opgegeven wat de warmtedoorlaat is; dan is het gewoon het aantal vierkante meters vermenigvuldigen met de opgegeven U-waarde van het glas (veelal rond de 1.2 W/m.k voor HR++ dubbel glas, en 0.7 W/m.k voor tripple glas)
Wanneer je van alle vlakken van je tuinhuis hebt bepaald wat het thermische verlies is kun je alles optellen, en dan heb je een heel aardig beeld van wat de warmtebehoefte is per graad verschil tussen binnen en buiten.


Dat je tuinhuis niet voldoet aan het bouwbesluit hoeft nog geen ramp te zijn. Was het bouwsel vergunningsplichtig? Zo ja, ben je afgeweken van wat er is aangevraagd in de vergunning? if not, dan is het geen probleem. En ook wanneer het niet vergunningsplichtig is dan valt een tuinhuis in dezelfde categorie als een schuur of een garage, en moet deze niet geïsoleerd zijn.

7400 Wp op het dak


  • swarthoofd
  • Registratie: Januari 2013
  • Laatst online: 17-09 22:30
Om je dus goed te begrijpen:

Dus een Rc van 2 vertaalt zich naar een warmtedoorlaat van 0.5 watt/m2.k

(0.033 W/m.K / 0.07 m =) 0.471 W/k m2 is dus afgerond 0.5
(1/0.471) = 2.12 RC

De sandwichpanelen hebben een 0,0225 W/m.K wat dus resulteert in:
(0.0225 W/m.K / 0.08 m =) 0.281 W/k m2 is dus afgerond 0.3


Dat het tuinhuis niet aan het bouwbesluit voldoet is natuurlijk geen probleem het is meer een constatering.

  • swarthoofd
  • Registratie: Januari 2013
  • Laatst online: 17-09 22:30
Wat ik dan alleen nog niet begrijp is die 0.5 en die 0.3 samen zijn de totale isolatie dikte dus je doet niet 0.5+0.3 * 60 vierkante meter muur om de lek watt/k te berekenen.
Pagina: 1