Mijn vraag
Onze woning wordt verwarmd door een HR-ketel+ Brink Elan 10 combinatie. Nou zitten we qua gasverbruik redelijk laag met 700 kuub op jaarbasis, maar wil ik het elektraverbruik omlaag en het comfort omhoog brengen.
Op dit moment staat de Elan altijd aan. Hij ventileert op een lage stand als er niets verwarmd wordt en moduleert als er wel verwarmd wordt. Er is dus een constante luchtstroom welke in de zomer niet merkbaar is, maar in de winter soms wel vervelend is op bepaalde plekken in de woonkamer als er niet verwarmd wordt.
Nu is het verbruik van de ventilator laag, maar niet nihil. In de zomer kan de stekker eruit, maar in de winter is dat geen optie.
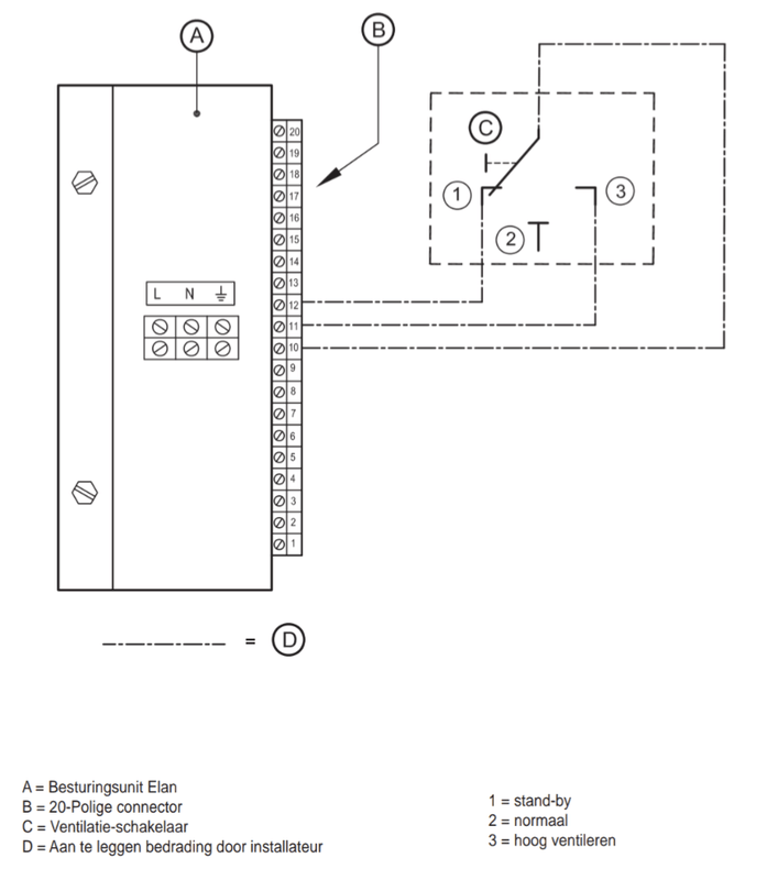
Volgens de handleiding is het mogelijk om een 3-standen schakelaar aan te sluiten op de connector, waarmee hij op "standy", "normaal" of "hoog ventileren" kan worden ingesteld.
Een lang verhaal kort: op dit moment staat hij in feite standaard op "normaal" ingesteld" en heb ik "hoog ventileren" niet nodig. "Standby" lijkt mij een prima stand, ervan uitgaande dat deze de Elan uitschakelt als er geen warmtevraag is en automatisch inschakelt als er wel vraag is.
Is het dan zo eenvoudig als positie 10 en 12 op de connector met elkaar te verbinden en dient hiervoor een draadbrug te worden gebruikt of voldoet een reguliere installatiedraad?
Hieronder het aansluitschema volgens de handleiding:
/f/image/j3tuIxMynf8yvKkLGztIDLQm.png?f=fotoalbum_large)
Verder hoor ik graag adviezen/meningen waarom wel of juist niet voor deze oplossing te kiezen.
Onze woning wordt verwarmd door een HR-ketel+ Brink Elan 10 combinatie. Nou zitten we qua gasverbruik redelijk laag met 700 kuub op jaarbasis, maar wil ik het elektraverbruik omlaag en het comfort omhoog brengen.
Op dit moment staat de Elan altijd aan. Hij ventileert op een lage stand als er niets verwarmd wordt en moduleert als er wel verwarmd wordt. Er is dus een constante luchtstroom welke in de zomer niet merkbaar is, maar in de winter soms wel vervelend is op bepaalde plekken in de woonkamer als er niet verwarmd wordt.
Nu is het verbruik van de ventilator laag, maar niet nihil. In de zomer kan de stekker eruit, maar in de winter is dat geen optie.
Volgens de handleiding is het mogelijk om een 3-standen schakelaar aan te sluiten op de connector, waarmee hij op "standy", "normaal" of "hoog ventileren" kan worden ingesteld.
Een lang verhaal kort: op dit moment staat hij in feite standaard op "normaal" ingesteld" en heb ik "hoog ventileren" niet nodig. "Standby" lijkt mij een prima stand, ervan uitgaande dat deze de Elan uitschakelt als er geen warmtevraag is en automatisch inschakelt als er wel vraag is.
Is het dan zo eenvoudig als positie 10 en 12 op de connector met elkaar te verbinden en dient hiervoor een draadbrug te worden gebruikt of voldoet een reguliere installatiedraad?
Hieronder het aansluitschema volgens de handleiding:
/f/image/j3tuIxMynf8yvKkLGztIDLQm.png?f=fotoalbum_large)
Verder hoor ik graag adviezen/meningen waarom wel of juist niet voor deze oplossing te kiezen.