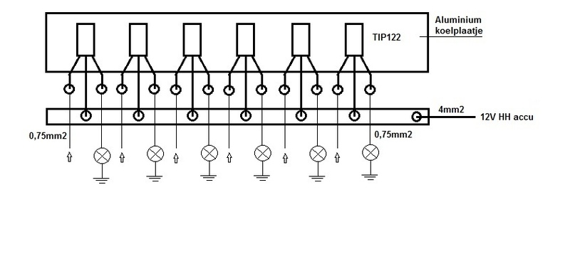
Ik heb het stopcontact van de trekhaak van de buscamper met TIP122 aangesloten en dat heeft 2 jaar goed gewerkt tot vorige week toen bleek dat er één TIP122 kapot was gegaan.
Deze heb ik vervangen en het werkt weer maar toen viel het mij op dat het aluminium hoeklijn waar de TIP122 op vast geschroefd zitten erg warm werd, ik hou die niet vast dus vermoedelijk is die TIP122 daardoor kapot gegaan.
Hoeklijn is 20 x 20 x 3 en is 115mm lang
Vraag is of dat te weinig is of dat er wat anders de oorzaak is of misschien een andere TIP ?
Graag jullie advies
:strip_exif()/f/image/QzD7kBqxwG8D3gTvK6m0ojDI.jpg?f=fotoalbum_large)
Deze heb ik vervangen en het werkt weer maar toen viel het mij op dat het aluminium hoeklijn waar de TIP122 op vast geschroefd zitten erg warm werd, ik hou die niet vast dus vermoedelijk is die TIP122 daardoor kapot gegaan.
Hoeklijn is 20 x 20 x 3 en is 115mm lang
Vraag is of dat te weinig is of dat er wat anders de oorzaak is of misschien een andere TIP ?
Graag jullie advies
:strip_exif()/f/image/QzD7kBqxwG8D3gTvK6m0ojDI.jpg?f=fotoalbum_large)
:no_upscale():strip_icc():fill(white):strip_exif()/f/image/G5z1DiPTAuPfAyxJaxUs7RsZ.jpg?f=user_large)