Ik zoek panelen voor ons te bouwen bijgebouw, HSB, ik zou mogelijk al in mei de panelen kunnen plaatsen
We hebben op dit moment op ons huis liggen:
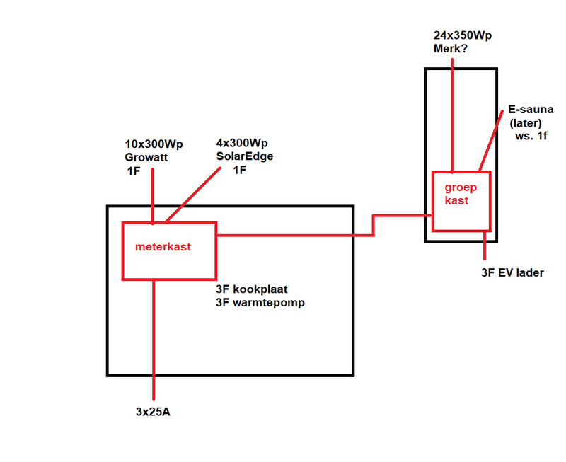
- 4x300 Benq full black, Solar Edge se1500-m omvormer met één 4-kanaals optimizer, Easyroof indaksysteem, portrait
- 10x300 Benq full black, Growatt 3000mtl-s omvormer, landscape
Het bijgebouw komt rechts van onze woning - gebouwd begin 2020 - te staan, op de plek waar je nu onze stacaravan ziet staan. Die is inmiddels weg.
Het bijgebouw krijgt sandwich golf dakplaten waarop de zonnepanelen direct geschroefd kunnen worden, en de bedoeling is om het (zadel)dak van ong 42 graden aan de zuidoost kan volledig te bedekken met zonnepanelen.
Dat betekent dat dat dakvlak +/- 3,5x12,2m moet worden, zie sketchup schets.
Dit dak heeft geen enkele schaduw.
Ik wil de installatie zelf aanschaffen - bijv. via Solarbouwmarkt - en installeren, behalve de meterkast aansluiting (electricien).
Verder
- We hebben een 3x25A aansluiting
- we hebben een L/W warmtepomp, dus voor verwarming een verbruik van zo'n 4500-5000 per jaar (systeem draait sinds juni 2020)
- De huidige twee installaties zitten op eigen groepen in de meterkast van het huis. Het bijgebouw krijgt een eigen schakelkast.
- In de nabije toekomst zal ik een EV kopen, mogelijk nog dit jaar. Die komt rechts voor het bijgebouw te staan, dus daar rechts bij de haag (of op het bijgebouw) komt een laadaansluiting.
- mogelijk leg ik in de toekomst nog eens (max) een stuk of 10 panelen op het andere dakvlak (past niet meer op)
Vragen
- wat is normaliter de ruimte tussen zonnepanelen op een railsysteem. Dit i.v.m. de maten van het dak. M.a.w. hoe groot wordt mijn installatie precies en hoe groot moet ik het dakvlak maken. Ik denk zelf dat ik ong 1cm tussenruimte moet aanhouden?
- moet ik i.v.m. loadbalancing/EV laden of andere vereisten deze nieuwe set ook rechtstreeks aansluiten op de meterkast van het huis, of kan dat in het bijgebouw?
- kan ik de laadpaal in het huisje aansluiten of beter ook rechtstreeks naar de meterkast?
- kan ik werken met 1 grote omvormer (24x350kWp) of kan ik beter 2 kleinere omvormers nemen?
- 1 of 3 fase omvormer?
Ik heb verder niet echt voorkeur voor bepaalde panelen. Omvormer eventueel van Growatt omdat ik dan iig twee installaties op 1 plek kan monitoren. Maar omdat je tegenwoordig op allerlei manieren kunt uitlezen is dat niet perse een vereiste.
Full black is mooi maar hoeft ook niet perse (wij zien die zijde van het huisje helemaal nooit)
Panelen liever niet van 1,77m want ik heb al moeite om binnen de gewenste maten van het huisje het dakvlak groot genoeg te krijgen voor 2x portrait panelen, aan de andere kant is 350Wp toch wel lekker (zonde dat ik op het huis 14x300 heb liggen ...
)
Bijv.:
- 2x Growatt 4200tl-xe https://www.solar-bouwmarkt.nl/min-4200tl-xe.html
- 24x First Choice Solar FCSP345FB-120N158 345WP https://www.solar-bouwmarkt.nl/345wp-full-black.html
- Clickfit EVO staaldak
plus toebehoren zit ik aan zo'n 6000 euro, dat past in het budget. Misschien een iets kleinere omvormer ook? De omvormers op ons huis zijn redelijk overbemeten, vooral die SE...
Zijn er betere opties?
:fill(white):strip_exif()/f/image/uOcS73JO6emMw0N7x4eBT8lh.png?f=user_large)
We hebben op dit moment op ons huis liggen:
- 4x300 Benq full black, Solar Edge se1500-m omvormer met één 4-kanaals optimizer, Easyroof indaksysteem, portrait
- 10x300 Benq full black, Growatt 3000mtl-s omvormer, landscape
Het bijgebouw komt rechts van onze woning - gebouwd begin 2020 - te staan, op de plek waar je nu onze stacaravan ziet staan. Die is inmiddels weg.
Het bijgebouw krijgt sandwich golf dakplaten waarop de zonnepanelen direct geschroefd kunnen worden, en de bedoeling is om het (zadel)dak van ong 42 graden aan de zuidoost kan volledig te bedekken met zonnepanelen.
Dat betekent dat dat dakvlak +/- 3,5x12,2m moet worden, zie sketchup schets.
Dit dak heeft geen enkele schaduw.
Ik wil de installatie zelf aanschaffen - bijv. via Solarbouwmarkt - en installeren, behalve de meterkast aansluiting (electricien).
Verder
- We hebben een 3x25A aansluiting
- we hebben een L/W warmtepomp, dus voor verwarming een verbruik van zo'n 4500-5000 per jaar (systeem draait sinds juni 2020)
- De huidige twee installaties zitten op eigen groepen in de meterkast van het huis. Het bijgebouw krijgt een eigen schakelkast.
- In de nabije toekomst zal ik een EV kopen, mogelijk nog dit jaar. Die komt rechts voor het bijgebouw te staan, dus daar rechts bij de haag (of op het bijgebouw) komt een laadaansluiting.
- mogelijk leg ik in de toekomst nog eens (max) een stuk of 10 panelen op het andere dakvlak (past niet meer op)
Vragen
- wat is normaliter de ruimte tussen zonnepanelen op een railsysteem. Dit i.v.m. de maten van het dak. M.a.w. hoe groot wordt mijn installatie precies en hoe groot moet ik het dakvlak maken. Ik denk zelf dat ik ong 1cm tussenruimte moet aanhouden?
- moet ik i.v.m. loadbalancing/EV laden of andere vereisten deze nieuwe set ook rechtstreeks aansluiten op de meterkast van het huis, of kan dat in het bijgebouw?
- kan ik de laadpaal in het huisje aansluiten of beter ook rechtstreeks naar de meterkast?
- kan ik werken met 1 grote omvormer (24x350kWp) of kan ik beter 2 kleinere omvormers nemen?
- 1 of 3 fase omvormer?
Ik heb verder niet echt voorkeur voor bepaalde panelen. Omvormer eventueel van Growatt omdat ik dan iig twee installaties op 1 plek kan monitoren. Maar omdat je tegenwoordig op allerlei manieren kunt uitlezen is dat niet perse een vereiste.
Full black is mooi maar hoeft ook niet perse (wij zien die zijde van het huisje helemaal nooit)
Panelen liever niet van 1,77m want ik heb al moeite om binnen de gewenste maten van het huisje het dakvlak groot genoeg te krijgen voor 2x portrait panelen, aan de andere kant is 350Wp toch wel lekker (zonde dat ik op het huis 14x300 heb liggen ...
Bijv.:
- 2x Growatt 4200tl-xe https://www.solar-bouwmarkt.nl/min-4200tl-xe.html
- 24x First Choice Solar FCSP345FB-120N158 345WP https://www.solar-bouwmarkt.nl/345wp-full-black.html
- Clickfit EVO staaldak
plus toebehoren zit ik aan zo'n 6000 euro, dat past in het budget. Misschien een iets kleinere omvormer ook? De omvormers op ons huis zijn redelijk overbemeten, vooral die SE...
Zijn er betere opties?
:fill(white):strip_exif()/f/image/uOcS73JO6emMw0N7x4eBT8lh.png?f=user_large)
[ Voor 3% gewijzigd door Stefke op 26-02-2021 21:17 ]
/f/image/5BDh92STENmthXPzvzrEq7CO.png?f=fotoalbum_large)
:strip_exif()/f/image/mL9Ods1nJ24UiYi9OPpggpR5.jpg?f=fotoalbum_large)
/f/image/CKEUGRzQ0wzndOxslRZ2fykB.png?f=fotoalbum_large)
/f/image/2E7y0wcydCA56UGxpstxtnsv.png?f=fotoalbum_large)
:strip_exif()/f/image/kPMvYeNw4EXVpbVektFikIl8.jpg?f=fotoalbum_large)
/f/image/QGjamuPG75sIqzhWQbWIA8zh.png?f=fotoalbum_large)
/f/image/Y6FIwam7GijpPX4D7bNiIBfV.png?f=fotoalbum_large)
/f/image/FwQoSPpsiNBzPvgomkJ7hP2f.png?f=fotoalbum_large)
:strip_exif()/f/image/aCigAM3Ol69Kc7sQwJiAMgGT.jpg?f=fotoalbum_large)
:strip_exif()/f/image/qOf6zXKNZCc8JC5t9GrNHIXV.jpg?f=fotoalbum_tile)
:strip_exif()/f/image/HkCGBZqd0lFJhCVduVtiAz4K.jpg?f=fotoalbum_tile)
:strip_exif()/f/image/LthmVgXQTTi1b2tCIIG7KNrd.jpg?f=fotoalbum_tile)
:strip_exif()/f/image/RB5VjfbfwdisTXPqxyZt2eUf.jpg?f=fotoalbum_tile)
:strip_exif()/f/image/DYoen8XNgrZ5sj6vC88JjiHM.jpg?f=fotoalbum_tile)
:strip_exif()/f/image/5BmNU8aM6FHtXCyi2tsD1HXz.jpg?f=fotoalbum_tile)
:strip_exif()/f/image/0XemyDALh0n5Y87O4LaUhCEL.jpg?f=fotoalbum_tile)
:strip_exif()/f/image/TLjAQgEkqmtGPDuEFy0OPrTR.jpg?f=fotoalbum_tile)
:strip_exif()/f/image/Jf4JE9KEBW5sQStzDsQFqotX.jpg?f=fotoalbum_tile)
:strip_exif()/f/image/l58HCgFjdduBuBNvcXgiXKek.jpg?f=fotoalbum_large)
:strip_exif()/f/image/KBvv7QLTtM6uzcl4b1sR927o.jpg?f=fotoalbum_large)
:strip_exif()/f/image/ijWtZAm6WSAOWlhj9iSrq7aW.jpg?f=fotoalbum_large)
/f/image/vIjBnqIz39QQF0pAPQGbzew5.png?f=fotoalbum_large)
/f/image/06Ut3nn0AywMfacMgOZcHxYp.png?f=fotoalbum_large)
/f/image/9Qm9ziLqyggb8aFRgAGnKApW.png?f=fotoalbum_large)
/f/image/Rz37yiux2Ljrfpz9RpTq7AH8.png?f=fotoalbum_large)
/f/image/tQkYdjiQ9oPWMZzqmuWUa4Dn.png?f=fotoalbum_large)
/f/image/qSaVPZjxrWFLMsTSraL9nJDf.png?f=fotoalbum_large)
/f/image/yVD9yBiRJOYm2mnzE4L237Fa.png?f=fotoalbum_large)