Beste tweakers,
wij krijgen komende week de sleutel van ons "nieuwe" huis. De boel moet alleen eerst "even" weer wat bij de tijd gebracht worden. De komende maanden staan dus in het teken van vooral t een en ander uitbouwen, rondom isoleren en nieuwe kozijnen. Daarna volgt t vernieuwen van alle sanitair, keuken, electra etc.
En last but not least willen we ook het huis energietechnisch volledig toekomstbestendig maken.
- zonnepanelen
- CO2 gestuurde balansventilatie (CO2 sturing zelf te knutselen met domotica)
- Vloerverwarming (zone gestuurd met domotica)
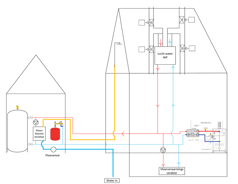
en daarnaast onderstaand systeem;schematje
/f/image/pfoWiG2mJBQ1H8pHssLzP8oX.png?f=fotoalbum_large)
We hebben nu reeds een houtkachel, die bevalt ons eigenlijk wel erg goed dus dit willen we in de nieuwe woning houden. (we wonen straks buitenaf dus geen last met buren etc)
Om wat efficiënter van de houtkachel gebruik te maken wil ik overstappen op een hout CV met een groot buffervat zodat we rustig de ene dag de kachel aan kunnen hebben en de volgende dag nog genoeg warmte in een buffervat te hebben waarmee de vloerverwarming t huis op temperatuur houdt.
Uiteraard is t dan ook fijn om dit in te zetten voor warm tapwater.
Omdat we nu merken dat de houtkachel vooral fijn is als het echt koud is zoek ik ook nog een oplossing voor t voor en najaar en warm tapwater in de zomer.
Dus, insert warmtepomp
Omdat de wp alleen als bijverwarming gebruikt zal worden verwacht ik dat we met een mooi simpel klein model uit kunnen, ook vanwege de hogere efficiency bij minder koud weer
Als zo'n warmtepomp toch water staat te verwarmen lucht staat te koelen zomers wil ik dit ook graag gebruiken om t huis af te kunnen koelen.
uiteindelijk wil ik al deze systemen met domoticz aan elkaar hangen zodat ik straks regels krijg in de richting van: zonnepanelen wekken meer op dan huidige verbruik & temp buffervat is <45°C => WP aan.
of: temp slaapkamer >24°C => WP aan
belangrijkste onderdelen:
Warmtepomp: Hewalex 3kW (shop) (Manual)
Buffervat: 2000L (shop)
Vloerverwarmingverdeler: (shop) (datasheet)
HoutCV: Nordic Fire Fortuna (shop) (aansluitschema)
Pompset hout CV: Laddomat 11-30 shop
Lucht kleppen WP: Ali
Dus, gezocht de alwetende kennis van het internet met feedback over design keuzes & onderdelen
p.s. t eerste jaar zal ik de bestaande CV maar even laten hangen om evt t buffervat op te kunnen warmen mocht er toch niet comfortabel genoeg warmte beschikbaar zijn maar doel is uiteindelijk gasloos
wij krijgen komende week de sleutel van ons "nieuwe" huis. De boel moet alleen eerst "even" weer wat bij de tijd gebracht worden. De komende maanden staan dus in het teken van vooral t een en ander uitbouwen, rondom isoleren en nieuwe kozijnen. Daarna volgt t vernieuwen van alle sanitair, keuken, electra etc.
En last but not least willen we ook het huis energietechnisch volledig toekomstbestendig maken.
- zonnepanelen
- CO2 gestuurde balansventilatie (CO2 sturing zelf te knutselen met domotica)
- Vloerverwarming (zone gestuurd met domotica)
en daarnaast onderstaand systeem;schematje
/f/image/pfoWiG2mJBQ1H8pHssLzP8oX.png?f=fotoalbum_large)
We hebben nu reeds een houtkachel, die bevalt ons eigenlijk wel erg goed dus dit willen we in de nieuwe woning houden. (we wonen straks buitenaf dus geen last met buren etc)
Om wat efficiënter van de houtkachel gebruik te maken wil ik overstappen op een hout CV met een groot buffervat zodat we rustig de ene dag de kachel aan kunnen hebben en de volgende dag nog genoeg warmte in een buffervat te hebben waarmee de vloerverwarming t huis op temperatuur houdt.
Uiteraard is t dan ook fijn om dit in te zetten voor warm tapwater.
Omdat we nu merken dat de houtkachel vooral fijn is als het echt koud is zoek ik ook nog een oplossing voor t voor en najaar en warm tapwater in de zomer.
Dus, insert warmtepomp
Omdat de wp alleen als bijverwarming gebruikt zal worden verwacht ik dat we met een mooi simpel klein model uit kunnen, ook vanwege de hogere efficiency bij minder koud weer
Als zo'n warmtepomp toch water staat te verwarmen lucht staat te koelen zomers wil ik dit ook graag gebruiken om t huis af te kunnen koelen.
uiteindelijk wil ik al deze systemen met domoticz aan elkaar hangen zodat ik straks regels krijg in de richting van: zonnepanelen wekken meer op dan huidige verbruik & temp buffervat is <45°C => WP aan.
of: temp slaapkamer >24°C => WP aan
belangrijkste onderdelen:
Warmtepomp: Hewalex 3kW (shop) (Manual)
Buffervat: 2000L (shop)
Vloerverwarmingverdeler: (shop) (datasheet)
HoutCV: Nordic Fire Fortuna (shop) (aansluitschema)
Pompset hout CV: Laddomat 11-30 shop
Lucht kleppen WP: Ali
Dus, gezocht de alwetende kennis van het internet met feedback over design keuzes & onderdelen
p.s. t eerste jaar zal ik de bestaande CV maar even laten hangen om evt t buffervat op te kunnen warmen mocht er toch niet comfortabel genoeg warmte beschikbaar zijn maar doel is uiteindelijk gasloos
:strip_exif()/f/image/DSN7CYTQj3BCfQDC1XpbM0iW.jpg?f=fotoalbum_large)
/f/image/3m9am3Af6yHGSYoes2zuZOiw.png?f=fotoalbum_large)