Hallo Tweakers!
Mijn natuurkunde kennis is weer een beetje weggezakt, en ik loop even tegen een kleine berekening aan waar ik niet zeker weet of ik goed zit.
Even uitleg: Voor mijn motorfietsje wil ik de stroom benodigd voor het starten overlaten aan "ultracapacitors" In het specifiek modelletje: (Maxwell 2.7V 350 Farad) in plaats van een accu.
Deze condensatoren zal ik in serie (6 in serie) plaatsen met een simpel balance / protection plaatje.
Waarom doe ik dit?
Filmpje: YouTube: Replacing My Car Battery with Capacitors! 12V BoostPack Update
Ik doe dit omdat ik het leuk vind, en ik er van uit ga dat de 500.000 cycle life van die condensatoren zorgen dat ik minder vaak (dure) accu's moet kopen, en bovenal oude accu's moet weggooien.
Wat die condensatoren toevoegen:
1. Hele lage interne weerstand, waardoor snel op/ontladen mogelijk is (170A piekbelasting)
2. Lange levensduur (500.000 cycles versus 1500 - 6000 (100% - 50% DOD) voor Lithium en 500-700 voor Lood)
3. Temperatuur onafhankelijke prestaties
4. Lading onafhankelijke prestaties (kan nog steeds 170A leveren als ze op 9v staat ipv 15v)
Het grote nadeel van de condensatoren:
1. Weinig opslagcapaciteit per formaat
2. relatief hoge zelfontlading
Om dus deze twee te overkomen wil ik me wagen aan een "hybride" batterij, deels LiFePO4, deels condensator.
Gezien de hoeveelheid ruimte komt er maar een klein lithium batterijtje bij. Namelijk 4 maal een 18650 cell:
Deze komen erin met een simpel balance / overcharge protection circuitje
Chemie: LiFePo4
Type: 18650
Merk: Enerpower
Fabrikant: Heter
Benaming: HTCFR18650-1800mAh-3.2V
Nominale spanning: 3.2V
Maximale laadstroom: 1,8A
Capaciteit: 1800 mAh
Interne weerstand: <40mΩ (ik neem even 30)
Pulsbelasting: 10A / 5 seconden
Nu dus mijn vraag
Wat moet R1 / de weerstand tussen de batterij en de condensator zijn? Deze zit er zodat de maximum ontladingsstroom van de lithium batterij niet te groot wordt.
Alle info op een rijtje:
Batterij (4 in serie) heeft 4 x 0.030 ohm = 0.12 ohm -> MAX 6A (even genomen)
condensatoren (6 in serie) hebben 6 x 0.0032 = 0.0192 ohm interne weerstand
startmotor gebruikt zo'n 90A piek (is minder volgens mij, maar ga hier even vanuit).
Mijn gedachte: klopt dit?
De weerstand door het batterij gedeelte moet 6/90 = 15x groter zijn dan die van de condensatoren.
R1 + Rbatterij = 15 x Rcondensator
R1 + 0.12 = 15 x 0.192
R1 = 0.168 Ohm.
En dan koop je er eentje van 0.18 ohm oid?
Dan ná het starten. De situatie dat de condensatoren leeg zijn (of iig een lager voltage hebben) en de accu's de condensatoren moeten opladen (worst case als de motor ook niet wilt starten -> condensatoren dalen hard, en de motor helpt vervolgens ook niet met het bijladen van de condensatoren.
Klopt mijn redenering hier?
De totale weerstand over deze schakeling is dan R1 (.18Ohm) + Rbat + Rcondensator = 0.3192 ohm
Dus R * I = U
dus eigenlijk mag er maximaal (zonder load) een verschil ontstaan van 0.3192 * 6 = 2 Volt ongeveer
Dus situatie de batterijen op 13.5 V en de condensatorenop 11.5 V.
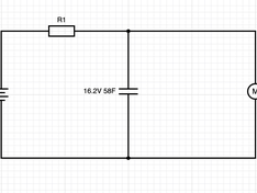
Even simpel schemaatje:

Daarnaast heb ik opgevangen dat de zelfontlading van die dingen vrij laag is na de eerste 10%. De aangegeven 0.30mA leakage current is dan redelijk reëel. Die batterijen hebben 1800mAh,
dus kunnen ze dan heel grof gerekend 1800/0.30 = 6000 uur die condensatoren "opgeladen" houden? (dalende spanning van de lithium accu naarmate deze leger wordt en zijn zelfontlading niet meegenomen?)
met andere woorden: Ik hoef niet bang te zijn dat deze lithium accu leeg / kapot is, als ik er een maand niet op rijd? (wat niet uniek is voor een motor uiteraard).
Vind dit wel een lachen projectje
Oja: waar het dus in komt (en waarom ruimte schaars is):

De accu zit op de foto onderin (rode dingetje net boven de uitlaat), maar is hier al weggehaald. De 18650 cellen komen onder het zadel.
Mijn natuurkunde kennis is weer een beetje weggezakt, en ik loop even tegen een kleine berekening aan waar ik niet zeker weet of ik goed zit.
Even uitleg: Voor mijn motorfietsje wil ik de stroom benodigd voor het starten overlaten aan "ultracapacitors" In het specifiek modelletje: (Maxwell 2.7V 350 Farad) in plaats van een accu.
Deze condensatoren zal ik in serie (6 in serie) plaatsen met een simpel balance / protection plaatje.
Waarom doe ik dit?
Filmpje: YouTube: Replacing My Car Battery with Capacitors! 12V BoostPack Update
Ik doe dit omdat ik het leuk vind, en ik er van uit ga dat de 500.000 cycle life van die condensatoren zorgen dat ik minder vaak (dure) accu's moet kopen, en bovenal oude accu's moet weggooien.
Wat die condensatoren toevoegen:
1. Hele lage interne weerstand, waardoor snel op/ontladen mogelijk is (170A piekbelasting)
2. Lange levensduur (500.000 cycles versus 1500 - 6000 (100% - 50% DOD) voor Lithium en 500-700 voor Lood)
3. Temperatuur onafhankelijke prestaties
4. Lading onafhankelijke prestaties (kan nog steeds 170A leveren als ze op 9v staat ipv 15v)
Het grote nadeel van de condensatoren:
1. Weinig opslagcapaciteit per formaat
2. relatief hoge zelfontlading
Om dus deze twee te overkomen wil ik me wagen aan een "hybride" batterij, deels LiFePO4, deels condensator.
Gezien de hoeveelheid ruimte komt er maar een klein lithium batterijtje bij. Namelijk 4 maal een 18650 cell:
Deze komen erin met een simpel balance / overcharge protection circuitje
Chemie: LiFePo4
Type: 18650
Merk: Enerpower
Fabrikant: Heter
Benaming: HTCFR18650-1800mAh-3.2V
Nominale spanning: 3.2V
Maximale laadstroom: 1,8A
Capaciteit: 1800 mAh
Interne weerstand: <40mΩ (ik neem even 30)
Pulsbelasting: 10A / 5 seconden
Nu dus mijn vraag
Wat moet R1 / de weerstand tussen de batterij en de condensator zijn? Deze zit er zodat de maximum ontladingsstroom van de lithium batterij niet te groot wordt.
Alle info op een rijtje:
Batterij (4 in serie) heeft 4 x 0.030 ohm = 0.12 ohm -> MAX 6A (even genomen)
condensatoren (6 in serie) hebben 6 x 0.0032 = 0.0192 ohm interne weerstand
startmotor gebruikt zo'n 90A piek (is minder volgens mij, maar ga hier even vanuit).
Mijn gedachte: klopt dit?
De weerstand door het batterij gedeelte moet 6/90 = 15x groter zijn dan die van de condensatoren.
R1 + Rbatterij = 15 x Rcondensator
R1 + 0.12 = 15 x 0.192
R1 = 0.168 Ohm.
En dan koop je er eentje van 0.18 ohm oid?
Dan ná het starten. De situatie dat de condensatoren leeg zijn (of iig een lager voltage hebben) en de accu's de condensatoren moeten opladen (worst case als de motor ook niet wilt starten -> condensatoren dalen hard, en de motor helpt vervolgens ook niet met het bijladen van de condensatoren.
Klopt mijn redenering hier?
De totale weerstand over deze schakeling is dan R1 (.18Ohm) + Rbat + Rcondensator = 0.3192 ohm
Dus R * I = U
dus eigenlijk mag er maximaal (zonder load) een verschil ontstaan van 0.3192 * 6 = 2 Volt ongeveer
Dus situatie de batterijen op 13.5 V en de condensatorenop 11.5 V.
Even simpel schemaatje:

Daarnaast heb ik opgevangen dat de zelfontlading van die dingen vrij laag is na de eerste 10%. De aangegeven 0.30mA leakage current is dan redelijk reëel. Die batterijen hebben 1800mAh,
dus kunnen ze dan heel grof gerekend 1800/0.30 = 6000 uur die condensatoren "opgeladen" houden? (dalende spanning van de lithium accu naarmate deze leger wordt en zijn zelfontlading niet meegenomen?)
met andere woorden: Ik hoef niet bang te zijn dat deze lithium accu leeg / kapot is, als ik er een maand niet op rijd? (wat niet uniek is voor een motor uiteraard).
Vind dit wel een lachen projectje

Oja: waar het dus in komt (en waarom ruimte schaars is):

De accu zit op de foto onderin (rode dingetje net boven de uitlaat), maar is hier al weggehaald. De 18650 cellen komen onder het zadel.
[ Voor 9% gewijzigd door wout123 op 08-05-2019 23:48 ]