Gezien mijn oude RAID kaart defect is geraakt en er een nieuwe komt was ik dat ding helemaal aan het uizoeken en icm documentatie die ik aan het zoeken was over ESXI Passtrough functies kwam ik tot een vraag.
Ik krijg het niet echt gegoogled, of vind antwoorden en zoek meer perspectieven. Het kan goed zijn dat ik hier mee bezig ben terwijl het onzin is om er over na te denken, maar dan nog.
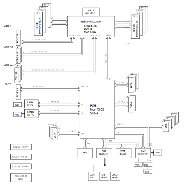
Ik heb een Moederbord met de volgende layout en info/ eisen:

Ik wil uiteindelijk deze machine inrichten als ESXI omgeving met:
1x Raid controller
--- 2x een SSD Mirror voor 2 VM's
--- 2x een HDD Mirror voor 2 Datastores
Dit draai ik over een Dell H200 RAID Controller. (PCI-E X8)
Ik heb de optie om de onboard netwerkkaart te gebruiken, maar heb ook losse netwerkkaarten ter beschikking
Er komen verder geen uitbreidingskaarten in
De onboard SATA aansluitingen worden niet gebruikt.
Nu zit ik na te denken over die PCI lanes. Ik weet eigenlijk niet wat "beter" is, en of het er überhaupt toe doet, maar waar zouden jullie je RAID kaart insteken, en zouden jullie onboard Netwerk gaan of een losse adapter nemen?
Ik kan de RAID kaart in slot 1 steken, wat over X4 communiceert met de Chipset (is voldoende bandbreedte) of ik kan verschillende andere PCI sloten pakken die naar de CPU lopen.
Stel dat je straks je datastores vooral over het netwerk gaat benaderen. Is het dan beter dat je RAID samen met die 2 onboard Netwerkkaarten enkel over de Chipset gaat of zou je juist je RAID kaart in een CPU PCI steken omdat de chipset dan enkel de 2 onboard netwerkkaarten hoeft te regelen?
Of zeg je, steek een losse netwerkkaart en je raid kaart in een CPU PCI slot, want dat is "beter"
En stel dat je er nog een 2e H200 Raid kaart X8 bijsteekt? Hoe zou je het dan doen?
Het is ver gezocht, maar wie zou wat doen en waarom?
Ik krijg het niet echt gegoogled, of vind antwoorden en zoek meer perspectieven. Het kan goed zijn dat ik hier mee bezig ben terwijl het onzin is om er over na te denken, maar dan nog.
Ik heb een Moederbord met de volgende layout en info/ eisen:

Ik wil uiteindelijk deze machine inrichten als ESXI omgeving met:
1x Raid controller
--- 2x een SSD Mirror voor 2 VM's
--- 2x een HDD Mirror voor 2 Datastores
Dit draai ik over een Dell H200 RAID Controller. (PCI-E X8)
Ik heb de optie om de onboard netwerkkaart te gebruiken, maar heb ook losse netwerkkaarten ter beschikking
Er komen verder geen uitbreidingskaarten in
De onboard SATA aansluitingen worden niet gebruikt.
Nu zit ik na te denken over die PCI lanes. Ik weet eigenlijk niet wat "beter" is, en of het er überhaupt toe doet, maar waar zouden jullie je RAID kaart insteken, en zouden jullie onboard Netwerk gaan of een losse adapter nemen?
Ik kan de RAID kaart in slot 1 steken, wat over X4 communiceert met de Chipset (is voldoende bandbreedte) of ik kan verschillende andere PCI sloten pakken die naar de CPU lopen.
Stel dat je straks je datastores vooral over het netwerk gaat benaderen. Is het dan beter dat je RAID samen met die 2 onboard Netwerkkaarten enkel over de Chipset gaat of zou je juist je RAID kaart in een CPU PCI steken omdat de chipset dan enkel de 2 onboard netwerkkaarten hoeft te regelen?
Of zeg je, steek een losse netwerkkaart en je raid kaart in een CPU PCI slot, want dat is "beter"
En stel dat je er nog een 2e H200 Raid kaart X8 bijsteekt? Hoe zou je het dan doen?
Het is ver gezocht, maar wie zou wat doen en waarom?
FreeReef.nl