Mijn vraag
In onze nieuwe woning zit een Ned Air WTA HR 300 WTW unit met een 3 standenschakelaar in de keuken. Buiten dat deze locatie niet even praktisch is, heb ik bij het klussen in de keuken de signaalkabel kapot gemaakt (niet alle leidingen lopen recht naar boven).
De eenvoudige oplossing is het terugtrekken van de signaalkabel en deze te vervangen met een nieuwe, echter zit de 3 standen schakelaar dan nog steeds in de keuken. Mijn voorkeur gaat dus uit naar een draadloze (domotica) oplossing. Nadeel (of voordeel) hiervan is dat ik momenteel nog helemaal geen "slimme" componenten heb (voorkeur gaat uit naar dingen die in de toekomst te combineren zijn met een Homey).
Nu weet ik niet precies wat ik nodig heb. Het schakelschema van de WTW ziet er zo uit:

Voor nu ga ik of de 3 standenschakelaar op zolder aankoppelen of toch snel een nieuwe kabel trekken (al gaat de oude signaalkabel er niet eenvoudig uit). Maar ik hoop dat iemand mij kan helpen met goede componenten om het geheel draadloos te maken eventueel met vochtsensoren in de toekomst.
Alvast bedankt!
Tom
In onze nieuwe woning zit een Ned Air WTA HR 300 WTW unit met een 3 standenschakelaar in de keuken. Buiten dat deze locatie niet even praktisch is, heb ik bij het klussen in de keuken de signaalkabel kapot gemaakt (niet alle leidingen lopen recht naar boven).
De eenvoudige oplossing is het terugtrekken van de signaalkabel en deze te vervangen met een nieuwe, echter zit de 3 standen schakelaar dan nog steeds in de keuken. Mijn voorkeur gaat dus uit naar een draadloze (domotica) oplossing. Nadeel (of voordeel) hiervan is dat ik momenteel nog helemaal geen "slimme" componenten heb (voorkeur gaat uit naar dingen die in de toekomst te combineren zijn met een Homey).
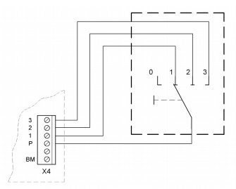
Nu weet ik niet precies wat ik nodig heb. Het schakelschema van de WTW ziet er zo uit:

Voor nu ga ik of de 3 standenschakelaar op zolder aankoppelen of toch snel een nieuwe kabel trekken (al gaat de oude signaalkabel er niet eenvoudig uit). Maar ik hoop dat iemand mij kan helpen met goede componenten om het geheel draadloos te maken eventueel met vochtsensoren in de toekomst.
Alvast bedankt!
Tom