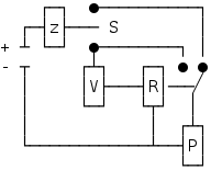
Het huidige 13v schema wat ik heb gemaakt ziet er zo uit:

Z = zekering (6A)
S = Schakelaar (uit, aan omhoog pompt direct, aan omlaag via vlotter)
V = vlotter schakelaar
R = Relais 86 Ω
P = Pomp (2.5A)
Nu wil ik tussen V en R een RC tijd schakeling omdat de vlotter erg gevoelig is (zeker als de boot schommelt), slaat maar een paar milliseconden aan omdat de pomp water weg pompt.
Zowel start (10 seconden) als stop (30 seconden) mogen vertraagd worden. Maar ja, hoe maak ik ook alweer zo'n schema (veel te lang geleden) en met welke condensatoren?
De vlotter heb ik in een PVC pijp gemonteerd, of zou dan het vernouwen van de gaatjes genoeg zijn?

Z = zekering (6A)
S = Schakelaar (uit, aan omhoog pompt direct, aan omlaag via vlotter)
V = vlotter schakelaar
R = Relais 86 Ω
P = Pomp (2.5A)
Nu wil ik tussen V en R een RC tijd schakeling omdat de vlotter erg gevoelig is (zeker als de boot schommelt), slaat maar een paar milliseconden aan omdat de pomp water weg pompt.
Zowel start (10 seconden) als stop (30 seconden) mogen vertraagd worden. Maar ja, hoe maak ik ook alweer zo'n schema (veel te lang geleden) en met welke condensatoren?
De vlotter heb ik in een PVC pijp gemonteerd, of zou dan het vernouwen van de gaatjes genoeg zijn?
[ Voor 6% gewijzigd door DJMaze op 18-09-2016 14:36 ]
Maak je niet druk, dat doet de compressor maar

