Acties:
  • 0 Henk 'm!

  • poema
  • Registratie: Juni 2002
  • Laatst online: 06-08 10:54
Ik heb hier een Latitude 3440 die helemaal niks doet. Laptop uit elkaar getrokken en wat me opvalt is dat 1 ding echt bloedheet wordt zodra ik de adapter aansluit. Kan dit de oorzaak zijn? Zie rood omcirkelde op foto's.

Afbeeldingslocatie: http://tweakers.net/ext/f/kt55HZPg13cdwckYIRZE9zWL/thumb.jpg

Afbeeldingslocatie: http://tweakers.net/ext/f/dxfM6NoHsNEJT4HMksGKbaMC/thumb.jpg

Acties:
  • 0 Henk 'm!

  • jeroen3
  • Registratie: Mei 2010
  • Laatst online: 20:59
Waarschijnlijk is er ergens een kortsluiting en moet er een chip worden vervangen. Breng de laptop naar een raparatieshop. Of garantie, als je dat nog hebt.

De chip die nu symptomen geeft hoeft niet defect te zijn. Iets anders achter deze chip kan daar ook voor zorgen.

Acties:
  • 0 Henk 'm!

  • poema
  • Registratie: Juni 2002
  • Laatst online: 06-08 10:54
Ik heb de laptop voor een paar tientjes overgenomen van een andere Tweaker, ik wist dat ie het niet deed. Wegbrengen is deze laptop absoluut niet waard (echt serieuze bagger kwaliteit). Ik wil gewoon wat meer leren over laptop moederborden :)

Acties:
  • 0 Henk 'm!

  • JesseMacaw
  • Registratie: Juli 2013
  • Laatst online: 12:47

JesseMacaw

Electronicafanaat

Als dat chipje erg heet wordt, zit er inderdaad kortsluiting in of rond het chipje (kijk even waar de traces naar toegaan en kijk daar ook even). Ik ben allesbehalve expert op dit gebied, maar het lijkt erop dat het chipje onderdeel is van de stroomvoorziening van het geheugen. Je zou er een multimeter bij kunnen pakken om te checken op sluiting, en als je de oorzaak uit kunt sluiten kun je een nieuw componentje met hetzelfde typenummer bestellen en hem dan vervangen met een hete-luchtsoldeerbout. Misschien is het de VRM-controller? Just guessing here ;)

Acties:
  • 0 Henk 'm!

  • poema
  • Registratie: Juni 2002
  • Laatst online: 06-08 10:54
Multimeter wil ik nog eens aanschaffen, altijd wel handig. Ik heb ook geen idee wat voor ic dit is :)

Acties:
  • 0 Henk 'm!

  • JesseMacaw
  • Registratie: Juli 2013
  • Laatst online: 12:47

JesseMacaw

Electronicafanaat

Er staat volgens mij ook niets op, dus dan kun je het ook niet googelen. Op de foto's is wel te zien dat er traces van dit chipje naar de VRM's gaan... Misschien staat er op de onderkant van het chipje wat? Dan moet je hem er wel eerst afhalen. Weet je ook zeker dat er niet een componentje aan de andere kant van het bordje is dat erg heet wordt? Meestal als zoiets erg heet wordt is er wel iets van visuele schade te zien.

Acties:
  • 0 Henk 'm!

  • jeroen3
  • Registratie: Mei 2010
  • Laatst online: 20:59
Je kunt de designator googlen: PU4503?

Acties:
  • 0 Henk 'm!

  • poema
  • Registratie: Juni 2002
  • Laatst online: 06-08 10:54
Gezocht op PU4503 maar kan niks vergelijkend vinden. Even denken hoe ik 'm eraf kan krijgen. Verder zie ik niks vreemds aan het bord. Bedankt voor het meedenken!

Acties:
  • 0 Henk 'm!

  • poema
  • Registratie: Juni 2002
  • Laatst online: 06-08 10:54
Elders op het bord was een gelijkend ic'tje gevonden waar wel te lezen was wat er op stond: bq717, een ic charge controller.

Edit: ik geef het op, dit gaat 'm niet worden.

Edit2: toch maar een hete lucht soldeer stationnetje gekocht op Ali. €33 en zeer goede feedback

http://www.aliexpress.com...-60W-ESD/32408394179.html

En een multimeter voor nog geen €6

http://m.aliexpress.com/i...wwdetail2mobilesitedetail

[ Voor 85% gewijzigd door poema op 29-05-2016 10:09 ]


Acties:
  • 0 Henk 'm!

  • JesseMacaw
  • Registratie: Juli 2013
  • Laatst online: 12:47

JesseMacaw

Electronicafanaat

Of het dezelfde is durf ik niet te zeggen, maar ik hoop dat het je lukt om hem toch te repareren. En zo niet: een hetelucht soldeerstation en een multimeter zijn nooit weg ;). Laat je even weten hoe het verloopt? Nu ben ik nieuwsgierig :)

Acties:
  • 0 Henk 'm!

  • jovadca
  • Registratie: Oktober 2010
  • Laatst online: 24-10 20:53
Heb je al eens een ander geheugenbankje geprobeerd?

Acties:
  • 0 Henk 'm!

  • JesseMacaw
  • Registratie: Juli 2013
  • Laatst online: 12:47

JesseMacaw

Electronicafanaat

jovadca schreef op woensdag 01 juni 2016 @ 09:16:
Heb je al eens een ander geheugenbankje geprobeerd?
Hij zegt dat het probleem al ontstaat als hij alleen maar de adapter aansluit. Hij kan het natuurlijk proberen met een geheugenbankje minder, maar ik zou mijn goede geheugenbankjes er niet aan wagen ;)

Acties:
  • 0 Henk 'm!

  • jovadca
  • Registratie: Oktober 2010
  • Laatst online: 24-10 20:53
Die chip zit in de buurt van de geheugenbankjes en als er nu één bankje kaduuk is, kan die chip daardoor heet worden.

Acties:
  • 0 Henk 'm!

  • base_
  • Registratie: April 2003
  • Laatst online: 11:05
Zo te zien zit dat ic direct aan een aantal mosfets, ik vermoed dat het pwm voedingscontrollers zijn. Meten met een multimeter kan je dat IC niet, mosfets wel. Ik vermoed dat de mosfets en misschien ook het ic kapot zijn. Aangezien deze tussen geheugen en usb zit wellicht eerst nog eens proberen zonder geheugen en usb devices?

@hierboven idd, dat eerst checken dus ;)

[ Voor 8% gewijzigd door base_ op 01-06-2016 09:32 ]


Acties:
  • 0 Henk 'm!

  • jovadca
  • Registratie: Oktober 2010
  • Laatst online: 24-10 20:53
Of het geheugenbankje in het 2e slot proberen.

Acties:
  • 0 Henk 'm!

  • base_
  • Registratie: April 2003
  • Laatst online: 11:05
Ik kan niet zien of beide bankjes op dezelfde power rail zitten, even zonder memory checken of e.e.a. weer warm wordt geeft i.i.g. bevestiging of de memory module geen kortsluiting maakt ;)

Acties:
  • 0 Henk 'm!

  • poema
  • Registratie: Juni 2002
  • Laatst online: 06-08 10:54
Ik heb de schematics van de Latitude 3000 series gekocht en gevonden om welk onderdeel het nu gaat. Het is een tps51225rukr, 3 en 5v regulator (of zo iets :) ). Nu nog proberen zo'n dingetje te scoren. De laptop deed overigens hetzelfde zonder geheugen.

Acties:
  • 0 Henk 'm!

  • TommieW
  • Registratie: December 2010
  • Laatst online: 10:55

TommieW

Numa numa.

Op YouTube doet Louis Rossman filmpjes over het repareren van Mac moederborden. Wellicht interessant om eens te kijken. :)

1700X@3,9GHZ - Asus Crosshair VI Hero - 32GB Corsair LPX - GTX 1070Ti
iPhone 13 Pro Max - Macbook Pro 16" M1 Pro


Acties:
  • 0 Henk 'm!

  • BoozeWooz
  • Registratie: Juli 2011
  • Laatst online: 31-12-2020
Is waarschijnlijk een regulator voor de USB-out (5V), je batterij geeft 12-14V en adapter +- 19V, en dit moet weer omlaag worden gehaald naar 5V.

Je kunt die de-solderen of nog makkelijker als je voorzichtig bent de traces doorkrassen met een mesje. Dan moet je wel de power over de twee USB poorten missen. USB heeft namelijk 4 pinnen, 2 voor stroom en 2 voor data. De data blijven het gewoon doen, en kun je met een "external power USB hub" ook weer apparaten op aansluiten.

Chip kan gesloopt zijn doordat iemand een usb apparaat aan heeft gesloten dat teveel amps trekt of kortsluiting had intern.

doei!

[ Voor 39% gewijzigd door BoozeWooz op 01-06-2016 19:03 ]


Acties:
  • 0 Henk 'm!

  • base_
  • Registratie: April 2003
  • Laatst online: 11:05
ik verwacht eerder dat de mostfets erachter defect zijn en misschien het ic zelf ook.

Acties:
  • 0 Henk 'm!

  • poema
  • Registratie: Juni 2002
  • Laatst online: 06-08 10:54
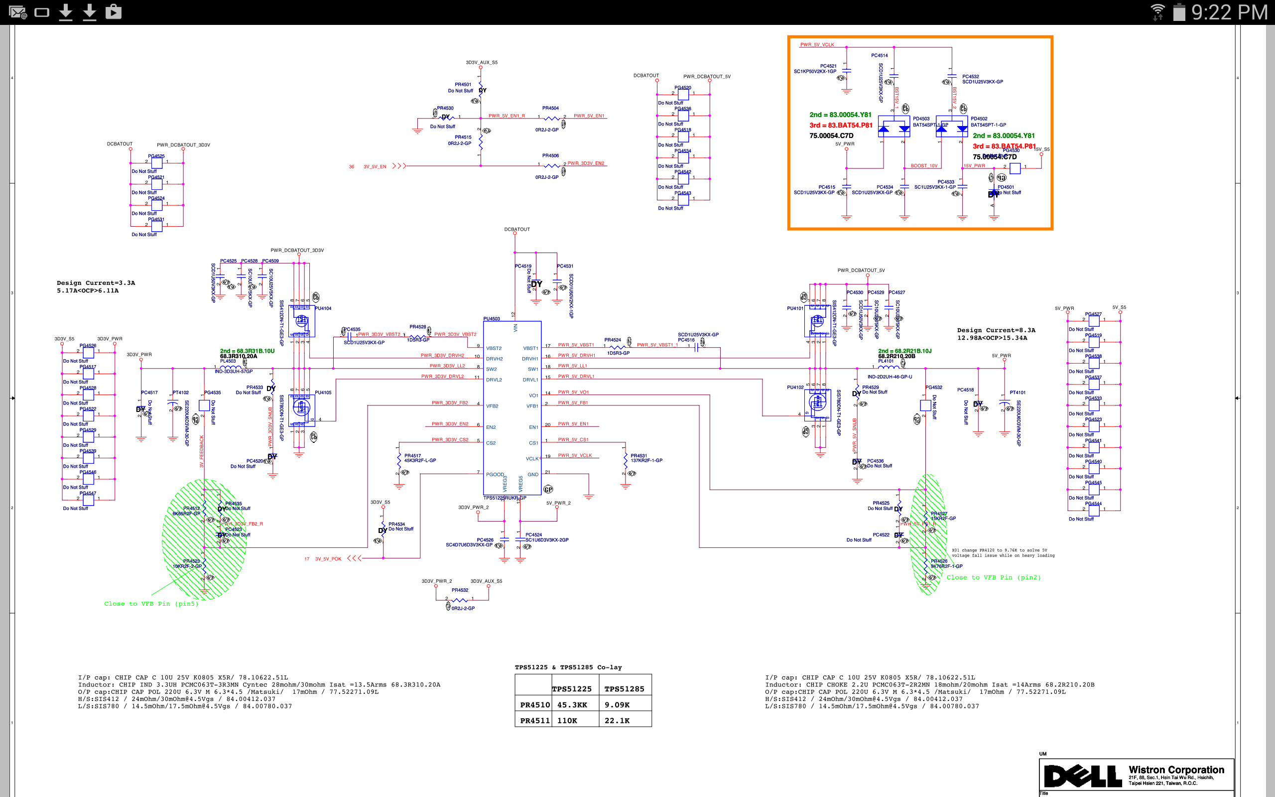
Hier dus waar het om draait, PU4503:

Afbeeldingslocatie: http://tweakers.net/ext/f/bAEA9HwHLXFCJDbewJUkXCSG/thumb.png

Ik kan pas verder wanneer ik de multimeter en het heteluchtstation binnen heb. Het ic heb ik wel gevonden maar gaan per meerdere aantallen. Hier zoek ik nog even naar verder :). Bedankt voor de reacties iig, stof om over na te denken!

Acties:
  • 0 Henk 'm!

  • johnkeates
  • Registratie: Februari 2008
  • Laatst online: 04-07 16:30
Het is een DC-DC chip, je kan ze vaak los krijgen (gratis!) als sample bij de fabrikant. In je screenshot kan ik het info hokje rechts onder niet zien, maar vaak staat daar welk circuit dit is. Stel dat het een DC voeding voor USB is ofzo, dan kan je hem na het desolderen ook even weglaten en de boel testen. Als het voor de accu is heb je hem ook niet direct nodig. Stel dat hij voor de DC-in jack is heb je waarschijnlijk wel een werkend circuit nodig. Maar om zo'n optie te bekijken moet je eigenlijk wel weten waar het circuit voor is :p

Je kan ook de DC busnamen door de PDF zoeken, als je hem ergens anders tegen komt weet je dus daar ze voor zijn.

Acties:
  • 0 Henk 'm!

  • poema
  • Registratie: Juni 2002
  • Laatst online: 06-08 10:54
TommieW schreef op woensdag 01 juni 2016 @ 18:22:
Op YouTube doet Louis Rossman filmpjes over het repareren van Mac moederborden. Wellicht interessant om eens te kijken. :)
Oh oh, dit gaat mij veel vrije uurtjes kosten :). Echt geweldige filmpjes, het soort waardoor je meteen gefascineerd bent.

Acties:
  • 0 Henk 'm!

  • poema
  • Registratie: Juni 2002
  • Laatst online: 06-08 10:54
johnkeates schreef op woensdag 01 juni 2016 @ 21:34:
Het is een DC-DC chip, je kan ze vaak los krijgen (gratis!) als sample bij de fabrikant. In je screenshot kan ik het info hokje rechts onder niet zien, maar vaak staat daar welk circuit dit is. Stel dat het een DC voeding voor USB is ofzo, dan kan je hem na het desolderen ook even weglaten en de boel testen. Als het voor de accu is heb je hem ook niet direct nodig. Stel dat hij voor de DC-in jack is heb je waarschijnlijk wel een werkend circuit nodig. Maar om zo'n optie te bekijken moet je eigenlijk wel weten waar het circuit voor is :p

Je kan ook de DC busnamen door de PDF zoeken, als je hem ergens anders tegen komt weet je dus daar ze voor zijn.
Dit schema heeft als naam:SSID = PWR.Plane.Regulator_5v3p3v.

Acties:
  • 0 Henk 'm!

  • johnkeates
  • Registratie: Februari 2008
  • Laatst online: 04-07 16:30
Niet precies het hokje wat ik bedoel :p maar aan de hand daar van kan je wel vinden dat ze het graag hergebruiken :p http://serpbit.ru/wp-cont...rete-uma-sandy-bridge.pdf

Anyway, het zal wel een TPS51218 zijn ofzo, en die kan je op eBay makkelijk los krijgen. Koop wel meteen 2 of 3 ofzo, want als het niet in een keer lukt om dat je hem te heet maakt, dan zou dat jammer zijn :p

Hier is een random draadje op een ander forum waar je een beetje kan zien wat er zoal gemeten, getest en getraceerd wordt: http://www.badcaps.net/forum/showthread.php?t=41089 gaat niet om hetzelfde bord, maar dat geeft je samen met Louis's video's een beetje een idee hoe het zoeken in z'n werk gaat.

[ Voor 24% gewijzigd door johnkeates op 02-06-2016 14:33 ]


Acties:
  • 0 Henk 'm!

  • poema
  • Registratie: Juni 2002
  • Laatst online: 06-08 10:54
@johnkeates: ah, nu snap ik welk hokje je bedoel :) hoop ik

Er staat:

3V/5V TPS51225 Latitude300 Haswell

Interessante site overigens, badcaps

Acties:
  • 0 Henk 'm!

  • jeroen3
  • Registratie: Mei 2010
  • Laatst online: 20:59
Dat is mooi, want die kun je vervangen.
http://www.ti.com/lit/ds/symlink/tps51225b.pdf

Acties:
  • 0 Henk 'm!

  • base_
  • Registratie: April 2003
  • Laatst online: 11:05
Heb je PU4101, 4102, 4104 en 4105 nagemeten? Zoals ik eerder al zei: als een of meerdere van deze mosfets kortsluiting maakt/maken is PU4503 wellicht niet kapot. Die TPS51225 kan je overigens bij b.v. mouser ook los kopen

Acties:
  • 0 Henk 'm!

  • poema
  • Registratie: Juni 2002
  • Laatst online: 06-08 10:54
Nee, ik heb niks nagemeten. Ik wacht nog op de komst van de multimeter. Als die binnen is zal ik eerst eens meten wat jij voorstelt. Nog even gekeken op de site van Mouser. Ziet er goed uit maar ging snel down. Later nog eens kijken. Hot air station is inmiddels, na iets van 3 dagen, al binnen. Ziet er netjes uit voor het geld. Kan ik mooi oefenen op een oud c2d bordje.

Edit: zo, dat werkt goed zeg. Paar seconden bij een chippie en plop, los. Mooi apparaat ook.

[ Voor 11% gewijzigd door poema op 03-06-2016 19:34 ]


Acties:
  • 0 Henk 'm!

  • crazydogfighter
  • Registratie: Augustus 2011
  • Laatst online: 07-09 09:09
TommieW schreef op woensdag 01 juni 2016 @ 18:22:
Op YouTube doet Louis Rossman filmpjes over het repareren van Mac moederborden. Wellicht interessant om eens te kijken. :)
Zijn video's vindt ik geweldig

Acties:
  • 0 Henk 'm!

  • popie
  • Registratie: November 2011
  • Laatst online: 21:55
eraf halen is 1 ding, erop solderen is andere koek, heb je wel wat ervaring bij nodig ja, zonder goede flux erbij geef ik het ook niet veel kans trouwens.
Pagina: 1