Hi ik heb een Promise SuperTrack EX16300, die ik wil uitbreiden met 6 extra HDs
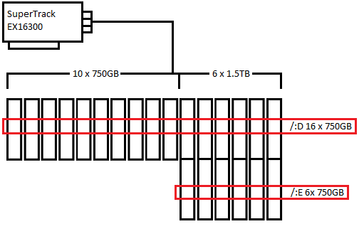
Ik heb nu RAID6 van 10 x 750GB aangesloten maar die begint vol te raken.
wil er een paar extra HDs aanhangen, en met de prijs/GB 1.5TB is op het moment veel interessanter dan 750GB gebruiken (40% goedkoper)
Ik zat aan het volgende te denken, en vroeg me af of dit mogelijk is, of kan ik de 6x partitie niet gebruiken en kan ik ze alleen als 750GB drives gebruiken ?

PS: ik vraag niet of men dingen zeker weet, alleen zeg niet dat het mogelijk is als je niet zeker bent anders zit ik straks met €200
aan nutteloze ruimte
Ik heb nu RAID6 van 10 x 750GB aangesloten maar die begint vol te raken.
wil er een paar extra HDs aanhangen, en met de prijs/GB 1.5TB is op het moment veel interessanter dan 750GB gebruiken (40% goedkoper)
Ik zat aan het volgende te denken, en vroeg me af of dit mogelijk is, of kan ik de 6x partitie niet gebruiken en kan ik ze alleen als 750GB drives gebruiken ?

PS: ik vraag niet of men dingen zeker weet, alleen zeg niet dat het mogelijk is als je niet zeker bent anders zit ik straks met €200
aan nutteloze ruimte
[dislectie] hoeveel forum deelnemers heb je nodig om een peertje te vervangen ?