Om mijn fans handmatig sneller of langzamer te kunnen laten draaien heb ik 3 slot-fancontrollertjes gekocht die op het moederbord worden aangesloten.
Hiermee wil ik mijn 3 Nexus Real Silent 120mm aansturen.
Echter, ook al draai ik de fancontroller helemaal dicht, dan gaat de fan nauwelijks (van 1200 naar 1100 rpm) zachter draaien, in elk geval niet in het bereik dat ik hoopte, namelijk zo'n 600-1200 rpm.
Als ik er echter de Scythe fan van mijn Ninja op aansluit gaat deze wel mooi van 980 tot 630 rpm. Het lijkt dus ook aan de fans te liggen, maar een voltageregulator is toch bedoeld om verschillende amperages aan te kunnen? De Nexus hebben volgens de verpakking 0.3A nodig bij 12V en gebruiken max 1.8W.
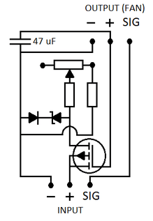
Als eerste heb ik eens goed gekeken naar het printplaatje van de fancontroller, en volgens mij (ik heb aardig het internet afgestruind) zit er het volgende op (zie schema):
- pMOSFET (een NEC B772 P)
- potmeter (geen idee wat de rating is)
- diode en Zenerdiode (ziet er in elk geval ongeveer zo uit) in tegenovergestelde richting (is dat een soort Transorb?).
- 47 uF elco
- 2 weestandjes, geen idee hoeveel Ohm

schema gemaakt in Paint
Nou wilde ik graag weten wat dus de kritieke factor is waardoor de fan te weinig afgeknepen wordt, maar ik ben niet genoeg thuis in electronica, dus ik snap hem niet precies.
Ik begrijp onder andere niet hoe er stroom (het is AC toch?) loopt naar de + output (die zit op de base van de MOSFET, terwijl daar toch juist geen stroom door loopt? Of fungeert de base van de MOSFET ook als een soort condensator?), wat die diodes precies doen, en hoe de potmeter de MOSFET (die zorgt toch uiteindelijk voor de voltageregeling?) beïnvloedt als hij niet op de base daarvan is aangesloten.
Het zijn een boel vragen, maar ik zou graag weten hoe het precies werkt, en waardoor hij zijn werk niet goed genoeg doet.
Hiermee wil ik mijn 3 Nexus Real Silent 120mm aansturen.
Echter, ook al draai ik de fancontroller helemaal dicht, dan gaat de fan nauwelijks (van 1200 naar 1100 rpm) zachter draaien, in elk geval niet in het bereik dat ik hoopte, namelijk zo'n 600-1200 rpm.
Als ik er echter de Scythe fan van mijn Ninja op aansluit gaat deze wel mooi van 980 tot 630 rpm. Het lijkt dus ook aan de fans te liggen, maar een voltageregulator is toch bedoeld om verschillende amperages aan te kunnen? De Nexus hebben volgens de verpakking 0.3A nodig bij 12V en gebruiken max 1.8W.
Als eerste heb ik eens goed gekeken naar het printplaatje van de fancontroller, en volgens mij (ik heb aardig het internet afgestruind) zit er het volgende op (zie schema):
- pMOSFET (een NEC B772 P)
- potmeter (geen idee wat de rating is)
- diode en Zenerdiode (ziet er in elk geval ongeveer zo uit) in tegenovergestelde richting (is dat een soort Transorb?).
- 47 uF elco
- 2 weestandjes, geen idee hoeveel Ohm

schema gemaakt in Paint
Nou wilde ik graag weten wat dus de kritieke factor is waardoor de fan te weinig afgeknepen wordt, maar ik ben niet genoeg thuis in electronica, dus ik snap hem niet precies.
Ik begrijp onder andere niet hoe er stroom (het is AC toch?) loopt naar de + output (die zit op de base van de MOSFET, terwijl daar toch juist geen stroom door loopt? Of fungeert de base van de MOSFET ook als een soort condensator?), wat die diodes precies doen, en hoe de potmeter de MOSFET (die zorgt toch uiteindelijk voor de voltageregeling?) beïnvloedt als hij niet op de base daarvan is aangesloten.
Het zijn een boel vragen, maar ik zou graag weten hoe het precies werkt, en waardoor hij zijn werk niet goed genoeg doet.




